Запчасти Case 880 (002) - WATER MANIFOLD AND THERMOSTAT, 336BDT DIESEL ENGINE (01) - ENGINE

Схема запчастей Case 880 - (002) - WATER MANIFOLD AND THERMOSTAT, 336BDT DIESEL ENGINE (01) - ENGINE
FIT
1:1
100%

Артикул

Название

Примечание

Количество

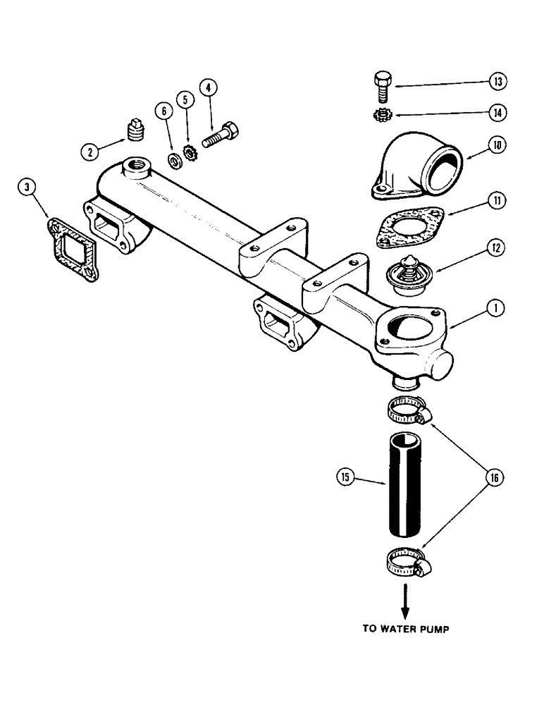
1

A141963

MANIFOLD

- water (Replaces A59211)

1шт.

2

221-1004

DRAIN PLUG,Sq Hd, 1/2"-14 NPTF

PLUG - 1/2" PT, square head

3шт.

3

A58637

MANIFOLD GASKET

- water manifold

2шт.

4

13-624

BOLT,Hex, 3/8" - 16 x 1-1/2", Gr 5

- manifold, 3/8 x 1-1/2" NC hex

2шт.

4

413-632

BOLT,Hex, 3/8" - 16 x 2", Gr 5

Manifold Hex, 3/8"-16 x 2", G5

2шт.

5

193-10

LOCK WASHER,Ext Tooth, 0.391" ID x 0.682" OD, STL, PLN

WASHER - 3/8" internal Shakeproof

4шт.

6

195-25

WASHER,3/8"

- 3/8 x 13/16 x 1/16"

4шт.

10

A60636

HOUSING

- thermostat

1шт.

11

G46907

GASKET

- thermostat housing

1шт.

12

A57641

THERMOSTAT

- 180 degrees F

1шт.

13

13-614

BOLT,Hex, 3/8" - 16 x 7/8", Gr 5, Full Thd

Housing Hex, 3/8"-16 x 7/8", G5, Full Thd

2шт.

14

193-10

LOCK WASHER,Ext Tooth, 0.391" ID x 0.682" OD, STL, PLN

WASHER, LOCK, Ext Tooth, 3/8"

2шт.

15

A58737

HOSE,30.99mm ID x 134.62mm L, SAE 20R4

- water by-pass, 1-1/4" ID x 5-5/16"

1шт.

16

214-256

HOSE CLAMP,#20, 0.81" - 1.75", Type F Worm

CLAMP - hose, 1-3/16" to 1-3/4"

2шт.

Выбрано товаров: 14