Запчасти Case 880 (282) - BACKHOE BUCKETS (19) - BUCKETS

Схема запчастей Case 880 - (282) - BACKHOE BUCKETS (19) - BUCKETS
FIT
1:1
100%

Артикул

Название

Примечание

Количество

S953184

BUCKET, backhoe - 26" - with teeth, Includes: Ref. 1, Serial Range: 6200000-6200288

1шт.

S953533

BUCKET, backhoe - 26" - with teeth, Includes: Ref. 1, Start Serial: 6200289

1шт.

S953186

BUCKET, backhoe - 30" - with teeth, Includes: Ref. 1, Serial Range: 6200000-6200288

1шт.

S953534

BUCKET, backhoe - 30" - with teeth, Includes: Ref. 1, Start Serial: 6200289

1шт.

S953188

BUCKET, backhoe - 36" - with teeth, Includes: Ref. 1, Serial Range: 6200000-6200288

1шт.

S953535

BUCKET, backhoe - 36" - with teeth, Includes: Ref. 1, Start Serial: 6200289

1шт.

S951800

BUCKET, backhoe - 42" - with teeth, Includes: Ref. 1, Serial Range: 6200000-6200288

1шт.

S953531

BUCKET, backhoe - 42" - with teeth, Includes: Ref. 1, Start Serial: 6200289

1шт.

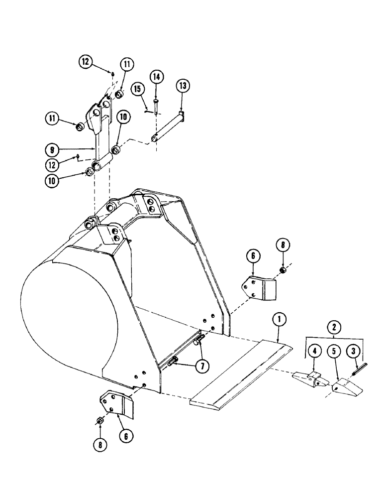
1

S212358

EDGE, cutting - for 26" bucket

1шт.

S212359

EDGE, cutting - for 30" bucket

1шт.

S222363

EDGE

cutting - for 36" bucket

1шт.

S207677

EDGE

cutting - for 42" bucket

1шт.

2

S503108

TOOTH

bucket - used on 26", 30", 36" bucket, Includes: Ref. 3 - 5

1шт.

S503111

TOOTH

bucket - used on 42" buckets, Includes: Ref. 3 - 5

1шт.

3

138-316

LOCK PIN,1/2" x 2 1/2", Slotted

PIN, 1/2" x 2 1/2", Slotted

1шт.

4

S59402

SHANK

tooth - used on 26", 30" and 36" buckets

1шт.

S37774

SHANK

tooth - used on 42" buckets

1шт.

5

S503093

POINT

TIP, tooth

1шт.

6

S33993

CUTTER

side

2шт.

7

113-730

BOLT,Hex, 3/4" - 10 x 2-3/4", Gr 5

CPSW - 3/4" - 10 NC x 2-3/4"

6шт.

13-1248

BOLT,Hex, 3/4" - 10 x 3", Gr 5

(If required) Hex, 3/4"-10 x 3", G5

6шт.

8

25-1012

NUT,3/4"-10, G5

6шт.

9

S209890

LINK, attachment , Includes: Ref. 10 - 12, Serial Range: 6200000-6200288

1шт.

S223543

LINK

attachment, Includes: Ref. 10 - 12, Start Serial: 6200289

1шт.

10

S202070

BUSHING

, Serial Range: 6200000-6200288

2шт.

S202134

BUSHING

- 2" dia., Start Serial: 6200289

2шт.

11

S202073

BUSHING

- 1.5" dia.

2шт.

12

219-1

LUBE NIPPLE,1/8" - 27 NPTF

FITTING, lube - 1/8" NPT (Straight)

2шт.

13

S200960

PIN

- (1-1/2"), Serial Range: 6200000-6200288

1шт.

S223986

PIN

- (2"), Start Serial: 6200289

1шт.

14

S61972

PIN

clevis - 1/2" dia. x 3.266" grip length, Serial Range: 6200000-6200288

1шт.

S61974

PIN

cotter - 5/32" dia. x 1", Start Serial: 6200284

1шт.

15

132-69

COTTER PIN,5/32" x 1"

Pin, Split (Cotter), 5/32" x 1"

1шт.

Выбрано товаров: 33