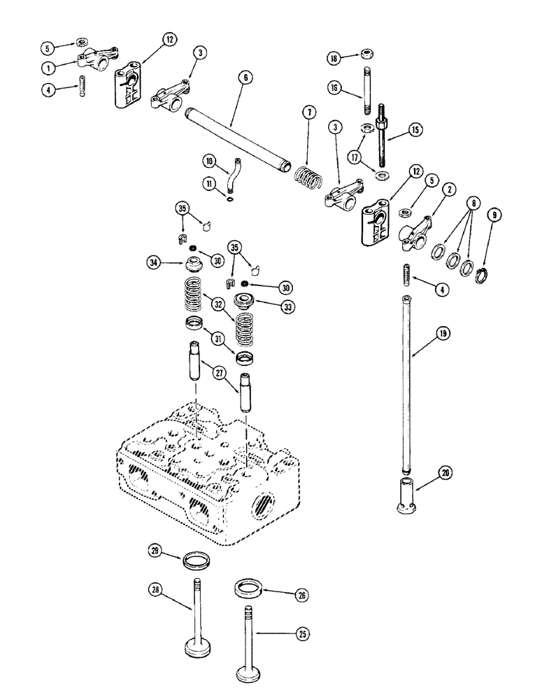
Запчасти Case 880 (012) - VALVE MECHANISM, 336BDT DIESEL ENGINE (01) - ENGINE

Схема запчастей Case 880 - (012) - VALVE MECHANISM, 336BDT DIESEL ENGINE (01) - ENGINE
FIT
1:1
100%

Артикул

Название

Примечание

Количество

1

A148137

ROCKER ARM

ARM ASSEMBLY - rocker, exhaust valves, 1st and 3rd cylinders (Replaces A58655), Includes: Ref. 4 and 5

2шт.

2

A148138

ARM

ASSEMBLY - rocker, exhaust valves, 2nd and 4th cylinders (Replaces A58656), Includes: Ref. 4 and 5

2шт.

3

A148136

ARM

ASSEMBLY - rocker, intake valves (Replaces A58654), Includes: Ref. 4 and 5

4шт.

4

A21105

ADJUSTMENT SCREW,3/8" - 24 x 1 9/16"

SCREW - adjusting, rocker arm

1шт.

5

25-156

JAM NUT,Jam, 3/8"-24, G5

- lock, adjusting screw, 3/8" NF hex, jam

1шт.

6

A57532

SHAFT

- rocker arm

2шт.

7

A27877

SPRING

- rocker shaft

2шт.

8

A27878

WASHER

- rocker shaft, 7/8 x 1-5/16 x 1/32"

1шт.

9

B18206

SNAP RING,#87, Ext

Ring, Snap, , washer #87, Ext

4шт.

10

A58657

TUBE

- oil, rocker shaft

2шт.

11

A27880

O-RING,0.07" Thk x 0.18" ID, -8, Cl 5, 75 Duro

- oil tube, 3/16 x 5/16 x 1/16"

2шт.

12

A61128

BRACKET

- rocker arm shaft

4шт.

15

A67121

STUD

- rocker arm bracket and cylinder head cover, 7/16" NC x 6"

4шт.

16

A58659

STUD

- rocker arm bracket, 7/16" NC x 4-5/16"

4шт.

17

195-29

WASHER,7/16"

- 7/16 x 15/16 x 1/16"

8шт.

18

25-107

NUT,7/16"-14, G5

- 7/16" NC hex

4шт.

19

A141841

ROD

- push (Replaces A58596)

8шт.

20

A20865

TAPPET

LIFTER - push rod, standard

8шт.

20

A21857

TAPPET

LIFTER - push rod, 0.010" oversize

8шт.

25

A41753

VALVE

- exhaust (Set of 2)

2шт.

26

A58619

INSERT

- exhaust valve seat

4шт.

27

A41783

GUIDE

- intake and exhaust valves

8шт.

28

A41754

VALVE

- intake (Set of 2)

2шт.

29

A60557

INSERT

- intake valve seat

4шт.

30

A58628

SEAL,8mm ID x 13.77mm OD x 2.16mm Thk

- valve stem

8шт.

31

A58623

SEAT

- valve springs

8шт.

32

A66444

SPRING

- valves

8шт.

33

A66336

ROTATOR

RETAINER - exhaust valves (Roto caps)

4шт.

34

A44645

KIT

RETAINER - intake valves (Set of 2 retainers and 4 locks)

2шт.

35

A27872

LOCK

- valve keepers

16шт.

Выбрано товаров: 0