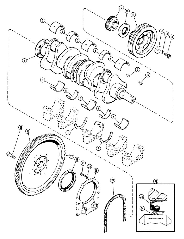
Запчасти Case 880 (020) - CRANKSHAFT AND FLYWHEEL, 336BDT DIESEL ENGINE, USED ENGINE S.N. 10151851 AND AFTER (01) - ENGINE

Схема запчастей Case 880 - (020) - CRANKSHAFT AND FLYWHEEL, 336BDT DIESEL ENGINE, USED ENGINE S.N. 10151851 AND AFTER (01) - ENGINE
FIT
1:1
100%

Артикул

Название

Примечание

Количество

1

A153831

CRANKSHAFT

ASSEMBLY, Includes: Ref. 2 and 3

1шт.

2

A66404

GEAR

- crankshaft

1шт.

3

125-129

KEY - gear (#C Woodruff)

1шт.

4

A58565

WASHER

- thrust, standard (0.185")

2шт.

4

A42447

WASHER

- thrust, oversize (0.191")

2шт.

5

A43090

BEARING LINER

LINER SET - main bearing, wide, standard (Set of 2)

3шт.

5

A43124

LINING

LINER SET - main bearing, wide, -0.002" (Set of 2)

3шт.

5

A43125

CRANKSHAFT BEARING

LINER SET - main bearing, wide, -0.010" (Set of 2)

3шт.

5

A43126

LINING

LINER SET - main bearing, wide, -0.020" (Set of 2)

3шт.

5

A43127

LINING

LINER SET - main bearing, wide, -0.030" (Set of 2)

3шт.

6

A43089

BEARING LINER

LINER SET - main bearing, narrow, standard (Set of 2)

2шт.

6

A43120

LINING

LINER SET - main bearing, narrow, -0.010" (Set of 2)

2шт.

6

A43121

SET OF CONN ROD BRGS STD

LINER SET - main bearing, narrow, -0.010" (Set of 2)

2шт.

6

A43122

LINING

LINER SET - main bearing, narrow, -0.020" (Set of 2)

2шт.

6

A43123

SET OF CONN ROD BRGS STD

LINER SET - main bearing, narrow, -0.030" (Set of 2)

2шт.

10

A62049

OIL SEAL

- oil, front, 2-5/8 x 3-5/8 x 1/2"

1шт.

11

A66621

PULLEY

- crankshaft

1шт.

12

A27903

WASHER

- pulley, 5/8 x 2-1/8 x 3/8"

1шт.

13

92-10

LOCK WASHER,5/8"

WASHER, LOCK, 5/8"

1шт.

14

88112

BOLT,Hex, 5/8" - 18 x 1 1/2", Gr 5

- pulley, 5/8 x 1-1/2" NF hex socket head

1шт.

15

126-129

WOODRUFF KEY,#C, 5/16" x 1 1/8", HT

Pulley #C, 5/16" x 1 1/8", HT

1шт.

18

A57457

RETAINER

- rear oil seal

1шт.

19

A62050

OIL SEAL

- oil, rear, 4-3/4 x 5-3/4 x 1/2" (See Ref 32)

1шт.

20

A32830

GASKET

- retainer

1шт.

21

13-620

BOLT,Hex, 3/8" - 16 x 1-1/4", Gr 5, Full Thd

Retainer Hex, 3/8"-16 x 1 1/4", G5, Full Thd

6шт.

22

92-6

LOCK WASHER,3/8"

6шт.

26

A58683

FLYWHEEL

ASSEMBLY, Includes: Ref. 27

1шт.

27

A27920

GEAR

- ring, starter

1шт.

28

28-1024

BOLT,Hex, 5/8" - 18 x 1-1/2", Gr 8

- flywheel, 5/8 x 1-1/2" NF hex

6шт.

32

A43194

KIT

WEAR SEAL KIT - oil, crankshaft, rear, Includes: Ref. 33 and 34

1шт.

33

NSS

NOT SOLD SEPARAT

SEAL - oil, rear, 4-7/8 x 5-3/4 x 1/2", wear seal kit

1шт.

34

NSS

NOT SOLD SEPARAT

SLEEVE - wear, 4-3/4 x 4-7/8 x 9/16", wear seal kit

1шт.

Выбрано товаров: 32