Запчасти Case 880 (128) - CRAWLER UNDERCARRIAGE AND RELATED PARTS (04) - UNDERCARRIAGE

Схема запчастей Case 880 - (128) - CRAWLER UNDERCARRIAGE AND RELATED PARTS (04) - UNDERCARRIAGE
FIT
1:1
100%

Артикул

Название

Примечание

Количество

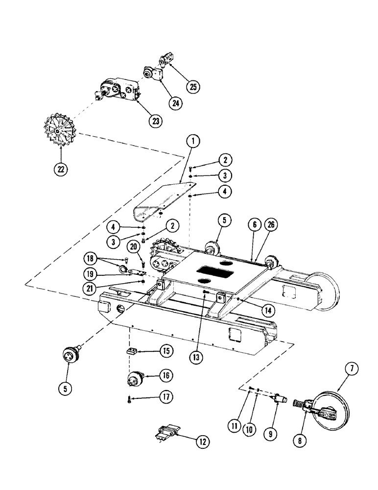
1

S218862

COVER, motor and transmission, Serial Range: -6201157

1шт.

S230471

COVER, motor and transmission, Start Serial: 6201158

1шт.

2

13-820

BOLT,Hex, 1/2" - 13 x 1-1/4", Gr 5, Full Thd

5шт.

3

92-8

LOCK WASHER,1/2"

5шт.

4

195-33

WASHER,1/2"

flat - 1/2"

5шт.

5

REF

INSTRUCTION

ROLLER, carrier - (For breakdown, see figure 144)

4шт.

6

S952857

FRAME, crawler with leveler, Serial Range: 6200000-6201157

1шт.

S954909

FRAME, crawler with leveler, Start Serial: 6201158

1шт.

7

REF

INSTRUCTION

WHEEL, idler - (For breakdown, see figure 146)

2шт.

8

REF

INSTRUCTION

ADJUSTER, track - (For breakdown, see figure 146)

2шт.

9

REF

INSTRUCTION

CYLINDER, track adjusting - (For breakdown, see figure 130)

2шт.

10

92-8

LOCK WASHER,1/2"

4шт.

11

13-832

BOLT,Hex, 1/2" - 13 x 2", Gr 5

Track adjusting cylinder to frame Hex, 1/2"-13 x 2", G5

4шт.

12

REF

INSTRUCTION

SHOE, track - with pins - (For breakdown, see figure 148)

46шт.

13

13-852

BOLT,Hex, 1/2" - 13 x 3-1/4", Gr 5

(To tighten roller shaft to frame) Hex, 1/2"-13 x 3 1/4", G5

4шт.

14

131-10

NUT,1/2"-13, GB

NUT, LOCK, 1/2"-13, GB

4шт.

15

S91175

BAR

track roller bolt attaching

24шт.

16

REF

INSTRUCTION

ROLLER, track - (For breakdown, see figure 142)

12шт.

17

13-1264

BOLT,Hex, 3/4" - 10 x 4", Gr 5

Track roller mounting Hex, 3/4"-10 x 4", G5

48шт.

18

240-11

SHACKLE

round pin

1шт.

19

S209710

PLATE

drawbar

1шт.

20

13-1244

BOLT,Hex, 3/4" - 10 x 2-3/4", Gr 5

4шт.

21

25-1012

NUT,3/4"-10, G5

4шт.

22

REF

INSTRUCTION

SPROCKET, drove - (See ref 51 on figure 132 or ref 51 on figure 136)

2шт.

23

REF

INSTRUCTION

TRANSMISSION, final drive - (For breakdown, see figure 132)

2шт.

24

REF

INSTRUCTION

BRAKE, track drove - (For breakdown, see figure 160)

2шт.

25

REF

INSTRUCTION

MOTOR, track drove - (For breakdown, see figure 228)

2шт.

26

S952856

FRAME, crawler without leveler, Serial Range: 6200000-6201157

1шт.

S610080

FRAME, crawler without leveler, Start Serial: 6201158

1шт.

Выбрано товаров: 29