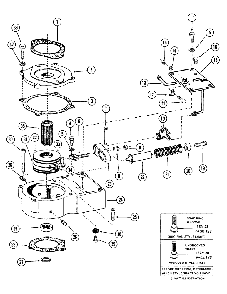
Запчасти Case 880 (160) - TRACK BRAKE DRIVE (04) - UNDERCARRIAGE

Схема запчастей Case 880 - (160) - TRACK BRAKE DRIVE (04) - UNDERCARRIAGE
FIT
1:1
100%

Артикул

Название

Примечание

Количество

S606006

BRAKE LINE

BRAKE, track drive - (Right and left hand), Includes: Ref. 1 - 35

2шт.

1

S203387

GASKET

mounting flange

1шт.

2

S38006

COVER

AND MOUNTING FLANGE

1шт.

3

S203386

GASKET

cover

1шт.

4

S66646

BOLT,5/16" x 3/4"

shoulder

1шт.

5

92-6

LOCK WASHER,3/8"

5шт.

6

S65002

FORK

YOKE, plain

1шт.

7

141-337

X

PIN, clevis - 1/2" dia. x 2.516" grip length

1шт.

8

S64911

NUT

ball - seat

1шт.

9

25-156

JAM NUT,Jam, 3/8"-24, G5

jam - 3/8" - 24 NF

1шт.

10

REF

INSTRUCTION

CYLINDER, track brake - (For breakdown, see figure 164)

1шт.

11

13-412

BOLT,Hex, 1/4" - 20 x 3/4", Gr 5, Full Thd

1шт.

12

A38799

CLAMP

1шт.

13

S210281

LINE

hydraulic - includes grommet

1шт.

14

92-44

WASHER, lock - 1/4"

1шт.

15

25-104

NUT,1/4"-20, G5

1шт.

16

222-1064

PLUG

- 5/8" - 18 SAE - (Used on earlier units)

1шт.

17

13-612

BOLT,Hex, 3/8" - 16 x 3/4", Gr 5, Full Thd

4шт.

18

S210312

COVER

1шт.

19

13-416

BOLT,Hex, 1/4" - 20 x 1", Gr 5

1шт.

20

S80879

SPACER

1шт.

21

S210158

SPRING

1шт.

22

S209803

STOP

spring

1шт.

23

S203385

LEVER

1шт.

24

S57642

HOUSING

brake - (Right and left hand)

1шт.

25

165-138

HEX SOC SCREW,Prev Torque, 1/2" - 13 x 1 1/8"

CPSW - 1/2" - 13 NC x 1-1/8"

1шт.

26

S79912

RIVET

- (For drain hole in housing)

2шт.

27

G46150

SNAP RING,0.75", Int, #75

Ring, Snap, , for improved style coupling, ref 34 0.75", Int, #75

1шт.

B18206

SNAP RING,#87, Ext

Ring, Snap, (For original style shaft) - (Replaced by kit, ref 40) #87, Ext

1шт.

28

S80305

GASKET

brake housing

1шт.

29

S65001

OIL SEAL

oil - lower

1шт.

30

165-123

HEX SOC SCREW,Prev Torque, 1/2" - 13 x 3"

CPSW - 1/2" - 13 NC x 3"

1шт.

31

S207618

BRAKE

ASSEMBLY, Includes: Ref. 32 - 34

1шт.

32

S81615

GASKET

DISC, brake

2шт.

33

211-17

BALL,3/4" Dia

(Between ref 32)

1шт.

34

S68705

SPRING

1шт.

35

S224667

COUPLING, BREAK AWAY

COUPLING, splined - (Improved style with internal snap ring groove)

1шт.

S224694

COUPLING

splined - (For origional style shaft) - (Replaced by kit, ref 40)

1шт.

36

13-820

BOLT,Hex, 1/2" - 13 x 1-1/4", Gr 5, Full Thd

4шт.

37

92-8

LOCK WASHER,1/2"

4шт.

38

S75334

GROMMET,5/16" ID x 3/4" Groove Dia

1шт.

39

13-68

SCREW,Hex, 3/8" - 16 x 1/2", Gr 5

CPSW - 3/8" - 16 NC x 1/2"

1шт.

40

S607927

SHAFT

KIT, shaft - (Includes shaft ref 28 on figure 132 splined coupling, ref 35 and retaining ring, ref 27)

1шт.

Выбрано товаров: 43