Запчасти Case 880 (188) - SWING BRAKE, (USED WITH ORIGINAL EQUIPMENT SWING REDUCER) (05) - UPPERSTRUCTURE CHASSIS

Схема запчастей Case 880 - (188) - SWING BRAKE, (USED WITH ORIGINAL EQUIPMENT SWING REDUCER) (05) - UPPERSTRUCTURE CHASSIS
FIT
1:1
100%

Артикул

Название

Примечание

Количество

S56457

BRAKE LINE

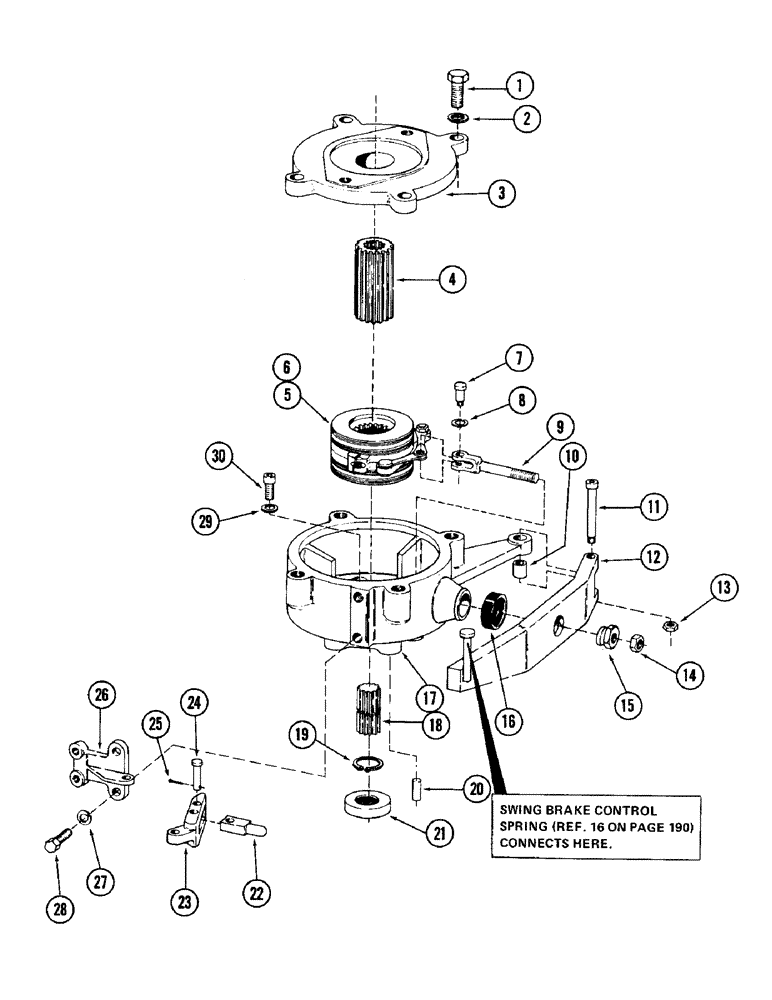
BRAKE, swing, Includes: Ref. 1 - 30

1шт.

1

113-417

BOLT,Hex, 1/2" - 13 x 1-1/4", Gr 5, Full Thd

4шт.

2

92-8

LOCK WASHER,1/2"

4шт.

3

S38006

COVER

AND FLANGE, motor mounting

1шт.

4

S224667

COUPLING, BREAK AWAY

COUPLING, splined - (Supersedes S208430)

1шт.

F14092

RING, SNAP

1шт.

5

S207618

BRAKE

ASSEMBLY, Includes: Ref. 6

1шт.

6

S81615

GASKET

DISC, brake

2шт.

7

S66646

BOLT,5/16" x 3/4"

shoulder

1шт.

8

92-6

LOCK WASHER,3/8"

1шт.

9

S64912

YOKE

plain

1шт.

10

S64921

BUSHING

1шт.

11

S64920

BOLT,5/16" x 2"

SCREW

1шт.

12

S203304

LEVER

brake

1шт.

13

131-470

LOCK NUT

NUT, self locking - 5/16' - 18 NC

1шт.

14

86585245

SPECIAL NUT,JAM, 5/8" - 18

jam - 3/8" - 24 NF

1шт.

15

S64911

NUT

ball seat

1шт.

16

S64913

BOOT

dust

1шт.

17

S53226

HOUSING

brake

1шт.

18

S203305

GEAR SHAFT

STUD, splined

1шт.

19

B18206

SNAP RING,#87, Ext

Ring, Snap, #87, Ext

1шт.

20

S64915

DOWEL

1шт.

21

S64311

OIL SEAL

oil

1шт.

22

S64910

PLUNGER

cable

1шт.

23

S203959

LEVER

cable

1шт.

24

S10717

PIN

clevis - 1/4" x 1.101" grip length

2шт.

25

132-24

COTTER PIN,3/32" x 1/2"

PIN, SPLIT (COTTER), 3/32" x 1/2"

2шт.

26

S203957

BRACKET

cable mounting

1шт.

27

92-6

LOCK WASHER,3/8"

2шт.

28

113-206

BOLT,Hex, 3/8" - 16 x 3/4", Gr 5, Full Thd

2шт.

29

F18408

WASHER

seal - 3/8"

3шт.

30

61-620

HEX SOC SCREW,3/8"-16 x 1 1/4"

CPSW - 3/8" - 16 NC x 1-1/4" - (Socket head nylock)

3шт.

Выбрано товаров: 0