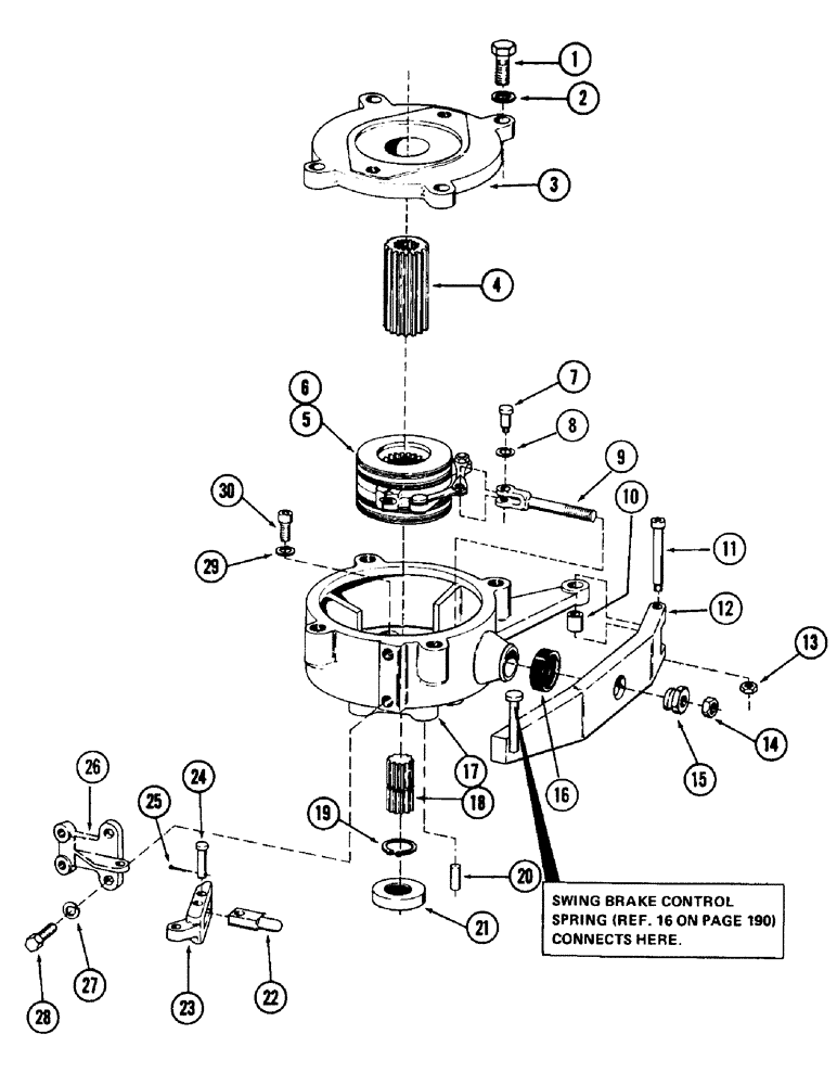
Запчасти Case 880 (189A) - SWING BRAKE, (USED ON SWING REDUCERS USED AS REPLACEMENT) (05) - UPPERSTRUCTURE CHASSIS

Схема запчастей Case 880 - (189A) - SWING BRAKE, (USED ON SWING REDUCERS USED AS REPLACEMENT) (05) - UPPERSTRUCTURE CHASSIS
FIT
1:1
100%

Артикул

Название

Примечание

Количество

S603830

BRAKE LINE

BRAKE, swing, Includes: Ref. 1 - 30

1шт.

1

113-417

BOLT,Hex, 1/2" - 13 x 1-1/4", Gr 5, Full Thd

4шт.

2

92-8

LOCK WASHER,1/2"

4шт.

3

S38006

COVER

AND FLANGE, motor mounting

1шт.

4

S224667

COUPLING, BREAK AWAY

COUPLING, splined - (Supersedes S208430)

1шт.

F14092

RING, SNAP

1шт.

5

S207618

BRAKE

ASSEMBLY, Includes: Ref. 6

1шт.

6

S81615

GASKET

DISC, brake

2шт.

7

S66646

BOLT,5/16" x 3/4"

shoulder

1шт.

8

92-6

LOCK WASHER,3/8"

1шт.

9

S64912

YOKE

plain

1шт.

10

S64921

BUSHING

1шт.

11

S64920

BOLT,5/16" x 2"

SCREW

1шт.

12

S203304

LEVER

brake

1шт.

13

131-470

LOCK NUT

NUT, self locking - 5/16" - 18 NC

1шт.

14

86585245

SPECIAL NUT,JAM, 5/8" - 18

jam - 3/8" - 24 NF

1шт.

15

S64911

NUT

ball seat

1шт.

16

S64913

BOOT

dust

1шт.

17

S603824

HOUSING

brake

1шт.

18

S203305

GEAR SHAFT

STUD, splined

1шт.

19

D18206

RING, retaining

1шт.

20

S64915

DOWEL

1шт.

21

S64311

OIL SEAL

oil

1шт.

22

S64910

PLUNGER

cable

1шт.

23

S203959

LEVER

cable

1шт.

24

S10717

PIN

clevis - 1/4" x 1.101" grip length

2шт.

25

132-24

COTTER PIN,3/32" x 1/2"

PIN, SPLIT (COTTER), 3/32" x 1/2"

2шт.

26

S203957

BRACKET

cable mounting

1шт.

27

92-6

LOCK WASHER,3/8"

2шт.

28

113-206

BOLT,Hex, 3/8" - 16 x 3/4", Gr 5, Full Thd

2шт.

29

F18408

WASHER

seal - 3/8"

3шт.

30

61-620

HEX SOC SCREW,3/8"-16 x 1 1/4"

BOLT - 3/8" - 16 NC x 1-1/4" - (Socket head nylock)

3шт.

Выбрано товаров: 32