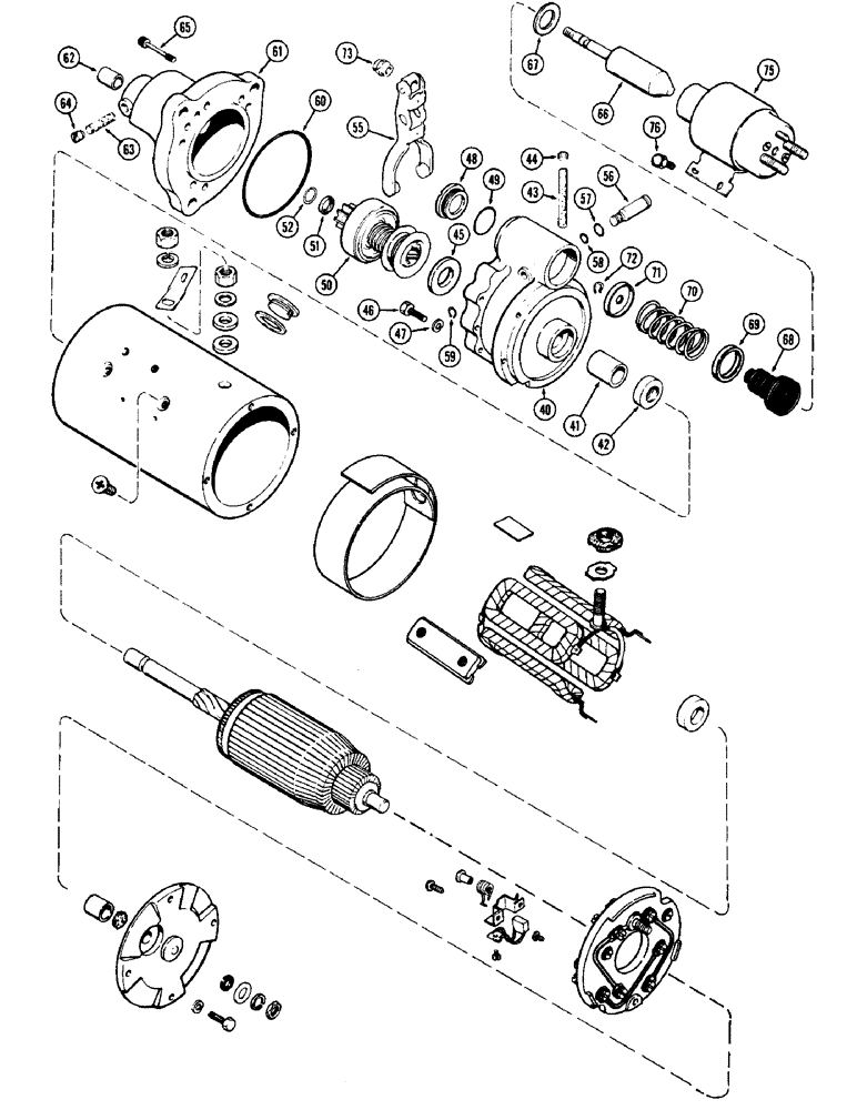
Запчасти Case 880 (055C) - A149056 STARTER, 12 VOLT (06) - ELECTRICAL SYSTEMS

Схема запчастей Case 880 - (055C) - A149056 STARTER, 12 VOLT (06) - ELECTRICAL SYSTEMS
FIT
1:1
100%

Артикул

Название

Примечание

Количество

A149056

STARTING MOTOR

STARTER ASSEMBLY - (Continuted from figure 55A), Includes: Ref. 40 - 76

1шт.

40

A43859

HOUSING

ASSEMBLY - shift lever, Includes: Ref. 41 - 45

1шт.

41

A40944

BUSHING

- 3/4 x 7/8 x 3/4"

1шт.

42

A25407

OIL SEAL

- oil, 3/4 x 1-3/8 x 3/16"

1шт.

43

A41417

WICK

- oil

1шт.

44

221-1849

PLUG

- 1/8" hex. sckt. hd., pipe

1шт.

45

R15043

WASHER

- brake, 3/4 x 2 x 1/8"

1шт.

46

114-1

BOLT,Hex, 1/4" - 28 x 1", Gr 5

Lever housing attaching Hex, 1/4"-28 x 1", G5

5шт.

47

192-19

LOCK WASHER,Helical Spring, 0.256" ID, CST, ZND

WASHER, LOCK, 1/4"

5шт.

48

R21587

PLUG

- inspection, lever housing

1шт.

49

A41924

GASKET

- plug, 1-3/8 x 1-9/16 x 1/8"

1шт.

50

A47178

DRIVE

ASSEMBLY - clutch (Replace A45470)

1шт.

51

R15049

COLLAR

- pinion stop

1шт.

52

R15048

RING

- retainer, pinion stop

1шт.

55

A43852

LEVER

SHIFT LEVER ASSEMBLY

1шт.

56

A43851

SHAFT

SHIFT - shift lever

1шт.

57

R21573

O-RING,0.369" ID x 0.515" OD x 0.073"

- 3/8 x 1/2 x 1/16"

1шт.

58

R21574

O-RING,0.244" ID x 0.391" OD x 0.073"

- 1/4 x 3/8 x 1/16"

1шт.

59

G46146

SNAP RING,#37, Ext

Ring, Snap, , shift lever attaching pin #37, Ext

1шт.

60

A43854

O-RING,3.237" ID x 0.106" THK

- lever housing to drive housing

1шт.

61

A43858

HOUSING

ASSEMBLY - drive, Includes: Ref. 62 - 64

1шт.

62

A40868

BUSHING

- 9/16 x 3/4 x 3/4"

1шт.

63

R15023

WICK

- oil

1шт.

64

221-1849

PLUG

- 1/8" hex sckt hd., pipe

1шт.

65

62-414

HEX SOC SCREW,1/4"-28 x 7/8"

SCREW - 1/4 x 7/8" N.F. sckt. hd. cap

6шт.

66

A43857

PLUNGER

ASSEMBLY

1шт.

67

A41922

WASHER

- 13/16 x 1-3/8 x 1/32"

1шт.

68

A42308

BOOT

- plunger

1шт.

69

A43380

BACK-UP RING

RETAINER - spring, with 1-13/64" hole

1шт.

70

A41242

SPRING

- shift lever, 1-3/8" O.D. x 2-3/4" long

1шт.

71

A43419

SEAT

RETAINER - spring, with 3/8" hole

1шт.

72

G46146

SNAP RING,#37, Ext

Ring, Snap, , plunger spring retainer #37, Ext

1шт.

73

A43856

NUT

- plunger rod guide adjusting

1шт.

75

A43846

SOLENOID

ASSEMBLY - (See figure 68)

1шт.

76

R15159

SCREW,Hex, 1/4" - 20 x 3/8", w/ LW

- 1/4 x 3/8" N.C. hex

4шт.

Выбрано товаров: 35