Запчасти Case 880B (002) - WATER MANIFOLD AND THERMOSTAT, 336BDT DIESEL ENGINE (01) - ENGINE

Схема запчастей Case 880B - (002) - WATER MANIFOLD AND THERMOSTAT, 336BDT DIESEL ENGINE (01) - ENGINE
FIT
1:1
100%

Артикул

Название

Примечание

Количество

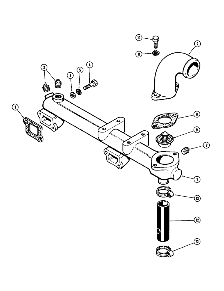
1

A141963

MANIFOLD

- water

1шт.

2

221-4

DRAIN PLUG,Sq Hd, 1/2"-14 NPTF

PLUG - 1/2" PT square head

3шт.

3

A58637

MANIFOLD GASKET

-, Serial Range: manifold-head

2шт.

4

113-209

BOLT,Hex, 3/8" - 16 x 1-1/2", Gr 5

2шт.

4

113-219

BOLT,Hex, 3/8" - 16 x 2", Gr 5

2шт.

5

193-10

LOCK WASHER,Ext Tooth, 0.391" ID x 0.682" OD, STL, PLN

WASHER, LOCK, Ext Tooth, 3/8"

4шт.

6

195-25

WASHER,3/8"

- 13/32" x 13/16" x 5/64"

4шт.

7

A61167

HOUSING - thermostat

1шт.

8

G46907

GASKET

- housing

1шт.

9

A57641

THERMOSTAT

- 180 degrees F (82 degrees C)

1шт.

10

113-221

BOLT,Hex, 3/8" - 16 x 7/8", Gr 5

2шт.

11

193-10

LOCK WASHER,Ext Tooth, 0.391" ID x 0.682" OD, STL, PLN

WASHER, LOCK, Ext Tooth, 3/8"

2шт.

12

A58737

HOSE,30.99mm ID x 134.62mm L, SAE 20R4

- by pass, Serial Range: manifold-pump

1шт.

13

214-256

HOSE CLAMP,#20, 0.81" - 1.75", Type F Worm

CLAMP - hose, 1-3/16" to 1-3/4"

2шт.

Выбрано товаров: 0