Запчасти Case 880B (196) - MAIN HYDRAULIC PUMP (07) - HYDRAULIC SYSTEM

Схема запчастей Case 880B - (196) - MAIN HYDRAULIC PUMP (07) - HYDRAULIC SYSTEM
FIT
1:1
100%

Артикул

Название

Примечание

Количество

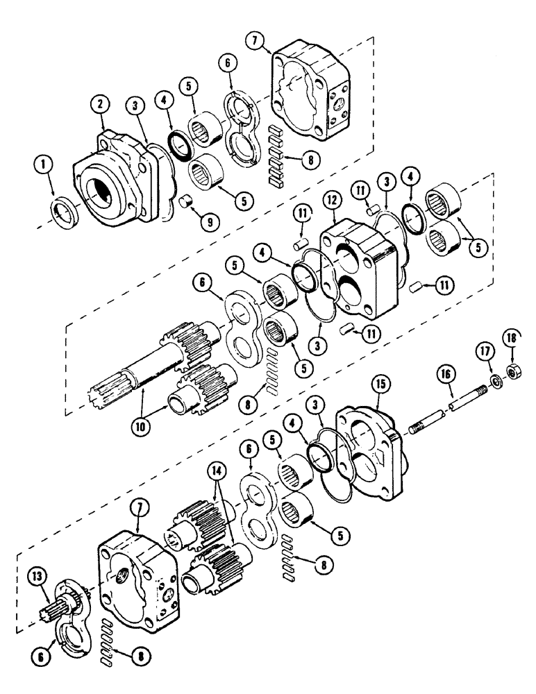
S512441

PUMP

main hydraulic, Includes: Ref. 1 - 18

1шт.

1

L32318

SEAL

lip

1шт.

2

S113566

PUMP

COVER

1шт.

3

D41391

O-RING

GASKET

4шт.

4

L32319

SEALING RING,32.68mm ID x 44.88mm OD x 3.81mm Thk

RING, seal

4шт.

5

D31942

ROLLER BEARING,1.29" ID x 1.9375" OD x 1.125"

BEARING, roller

8шт.

6

D70680

PLATE

thrust

4шт.

7

S113572

HOUSING

2шт.

8

L32099

SEAL

pocket

24шт.

9

L32320

PLUG

1шт.

10

S94912

GEAR

AND SHAFT - (Matched set)

1шт.

11

W16323

DOWEL

PIN

4шт.

12

S113570

CARRIER

1шт.

13

L32324

SHAFT

1шт.

14

S113573

GEAR-SET

GEAR SET - (Match set)

1шт.

15

D73613

COVER

port end

1шт.

16

S76269

STUD

4шт.

17

D31957

WASHER

4шт.

18

86625068

NUT,5/8"-11, G8

- 5/8" NC

4шт.

Выбрано товаров: 19