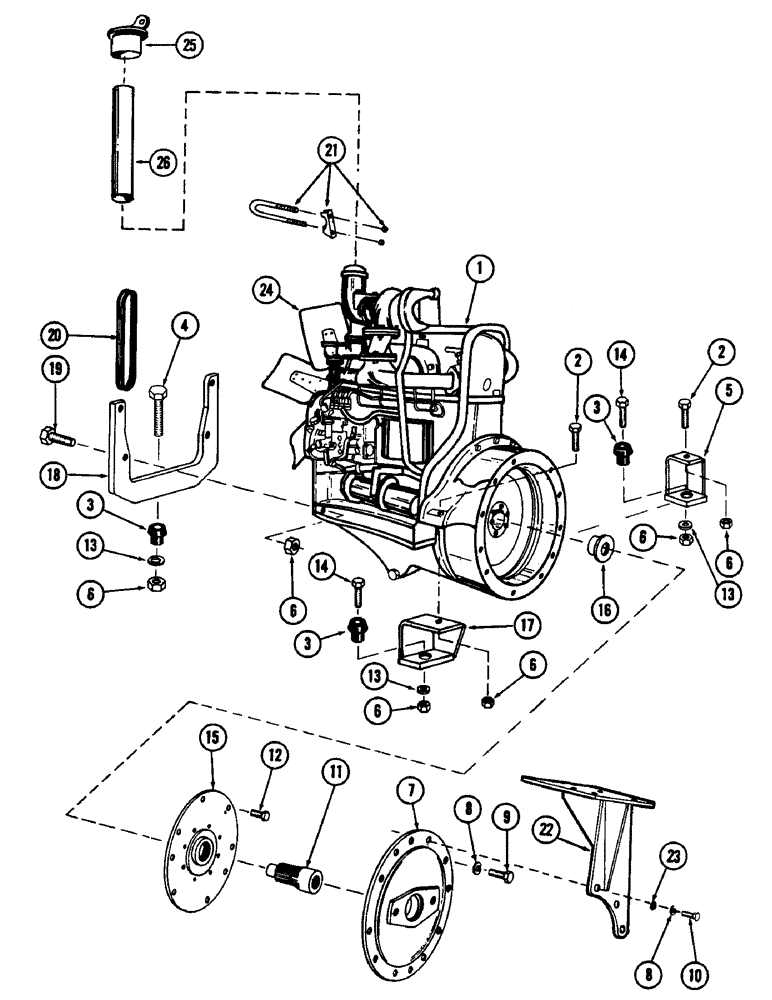
Запчасти Case 880B (066) - CASE 336BDT ENGINE RELATED PARTS (01) - ENGINE

Схема запчастей Case 880B - (066) - CASE 336BDT ENGINE RELATED PARTS (01) - ENGINE
FIT
1:1
100%

Артикул

Название

Примечание

Количество

1

REF

INSTRUCTION

ENGINE, 336BDT diesel - (For breakdown, see engine section)

1шт.

2

13-1252

BOLT,Hex, 3/4" - 10 x 3-1/4", Gr 5

- 1/2" - 13 NC x 3-1/4"

2шт.

3

A19066

MOUNTING PARTS

GROMMET, rubber

3шт.

4

13-1272

BOLT,Hex, 3/4" - 10 x 4-1/2", Gr 5

3шт.

5

S220155

BRACKET, engine mount - (Rear)

1шт.

6

131-450

NUT,3/4"-10

NUT, self locking - 3/4" - 10 NC

9шт.

7

S52615

MOUNTING PARTS

MOUNTING, pump

1шт.

8

92-21

BOLT (SPREADER)

WASHER, lock - 3/8"

12шт.

9

113-207

BOLT,Hex, 3/8" - 16 x 1", Gr 5

8шт.

10

113-208

BOLT,Hex, 3/8" - 16 x 1-1/4", Gr 5

4шт.

11

S63201

COUPLING

1шт.

12

121-204

BOLT,Lock Place, Hex, 3/8" - 16 x 5/8", Gr 8

8шт.

13

195-2270

WASHER,13/16" x 3" x .238", HDN

flat

3шт.

14

13-1268

BOLT,Hex, 3/4" - 10 x 4-1/4", Gr 5

- 3/4" - 10 NC x 4-1/4" Gr 5

2шт.

15

S33201

DAMPER

DAMPNER ASSEMBLY

1шт.

16

S87483

ADAPTER

1шт.

17

S220156

BRACKET, engine mount - (Rear)

1шт.

18

S219772

BRACKET, engine mount - (Front)

1шт.

19

13-1248

BOLT,Hex, 3/4" - 10 x 3", Gr 5

4шт.

20

S86287

SET OF BELTS,0.69" W x 62.00" L

V- Belt (Matched set) 0.69" W x 62.00" L

1шт.

21

S85396

CLAMP

1шт.

22

S614298

BRACKET, air cleaner and muffler mounting - (Supersedes S513442 and S506325)

1шт.

23

195-525

WASHER,3/8", SAE

flat - 3/8"

3шт.

24

D90413

FAN

engine (Replaces A15519)

1шт.

A61283

BUSHING

SPACER

1шт.

113-219

BOLT,Hex, 3/8" - 16 x 2", Gr 5

4шт.

192-21

LOCK WASHER,3/8"

WASHER, LOCK, 3/8"

4шт.

25

A62175

CYLINDER END CAP

CAP, exhaust pipe

1шт.

26

S93395

PIPE

1шт.

Выбрано товаров: 29