Запчасти Case 880B (130) - TRACK ADJUSTMENT CYLINDER (04) - UNDERCARRIAGE

Схема запчастей Case 880B - (130) - TRACK ADJUSTMENT CYLINDER (04) - UNDERCARRIAGE
FIT
1:1
100%

Артикул

Название

Примечание

Количество

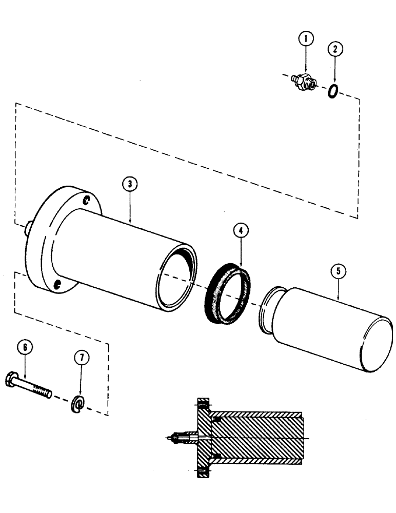
S514013

CYLINDER

- track adjustment (Replaces S56864), Includes: Ref. 1 - 5

2шт.

1

S233299

FITTING

ASSY - special, Includes: Ref. 2

1шт.

2

218-5005

O-RING,0.078" Thk x 0.468" ID, -906, Cl 6, 90 Duro

6-1, 90 Duro, .468" ID x .078" Thk

1шт.

3

S514014

TUBE,7.5" L

- cylinder (Replaces S39298)

1шт.

4

S78837

SEAL

1шт.

5

S209107

PISTON

1шт.

6

113-421

BOLT,Hex, 1/2" - 13 x 2", Gr 5

Mounts cylinder to track frame Hex, 1/2"-13 x 2", G5

2шт.

7

192-23

LOCK WASHER,1/2"

WASHER, LOCK, 1/2"

2шт.

Выбрано товаров: 8