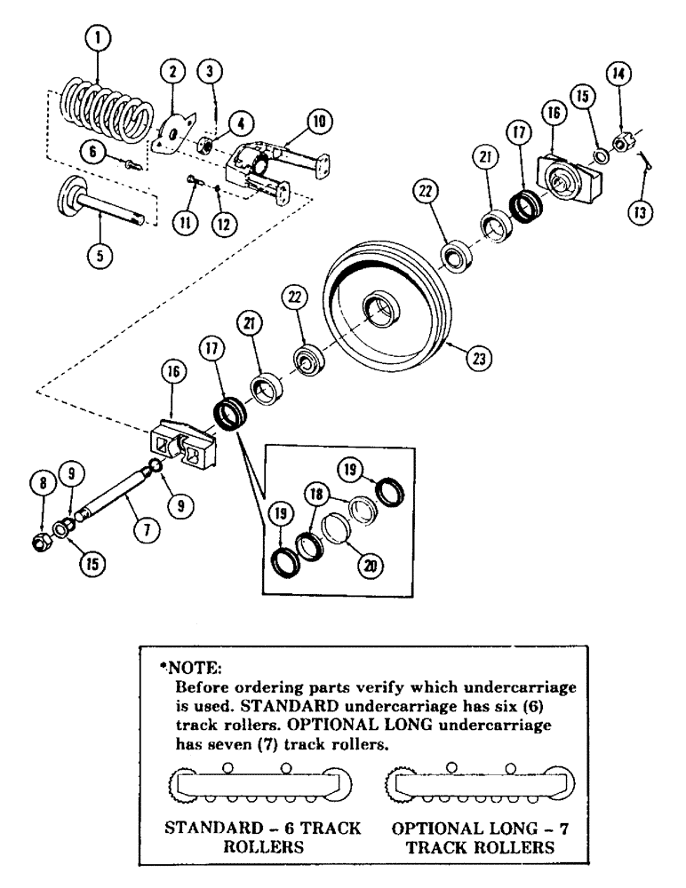
Запчасти Case 880B (138) - IDLER WHEEL AND TRACK ADJUSTER, *(USED ON UNITS WITH STANDARD UNDERCARRIAGE) (04) - UNDERCARRIAGE

Схема запчастей Case 880B - (138) - IDLER WHEEL AND TRACK ADJUSTER, *(USED ON UNITS WITH STANDARD UNDERCARRIAGE) (04) - UNDERCARRIAGE
FIT
1:1
100%

Артикул

Название

Примечание

Количество

S505555

SPRING, track tension, Includes: Ref. 1 - 5

1шт.

1

S214697

SPRING

1шт.

2

S218861

PLATE

end

1шт.

3

138-141

LOCK PIN,1/4" x 1 7/8", Slotted

PIN, 1/4" x 1 7/8", Slotted

1шт.

4

S78770

NUT

- (Special) (Replaces 25-1220) (Replaces 223-55)

1шт.

5

S209093

GUIDE

ASSEMBLY

1шт.

6

13-1028

BOLT,Hex, 5/8" - 11 x 1-3/4", Gr 5, Full Thd

4шт.

7

S218864

IDLE SHAFT

SHAFT, idler wheel

1шт.

8

131-92

LOCK NUT,1 1/2"-12

NUT, hex lock - 1-1/2" NF

1шт.

9

F62076

O-RING,0.139" Thk x 1.984" ID, -226, Cl 5, 75 Duro

"O" RING - (Replaces S93149)

2шт.

10

S602025

YOKE

front idler

2шт.

11

113-410

BOLT,Hex, 1/2" - 13 x 1-1/2", Gr 5, Full Thd

8шт.

12

192-23

LOCK WASHER,1/2"

WASHER, LOCK, 1/2"

8шт.

13

132-162

COTTER PIN,1/4" x 3 3/4"

PIN, cotter - 3/16" x 2-1/2" long

1шт.

14

25-1324

SLOTTED NUT,1 1/2"-12, G5

NUT, castle - 1-1/2"

1шт.

15

D36065

WASHER

idler wheel shaft

2шт.

16

S505503

GUIDE

idler

2шт.

17

R39273

SEAL

face - (Replaces D35267), Includes: Ref. 18 - 20

1шт.

18

NSS

NOT SOLD SEPARAT

BODY, seal - split

1шт.

D36826

SEAL KIT

KIT, repair, Includes: Ref. 19 and 20

1шт.

19

NSS

NOT SOLD SEPARAT

SEAL, rubber

2шт.

20

NSS

NOT SOLD SEPARAT

RETAINER, plastic

2шт.

21

D36069

RING

seal retaining

2шт.

22

S218927

BEARING ASSY

BEARING

2шт.

23

D42886

FRONT IDLER

WHEEL, idler

2шт.

Выбрано товаров: 25