Запчасти Case 880B (158) - TRACK DRIVE BRAKE (04) - UNDERCARRIAGE

Схема запчастей Case 880B - (158) - TRACK DRIVE BRAKE (04) - UNDERCARRIAGE
FIT
1:1
100%

Артикул

Название

Примечание

Количество

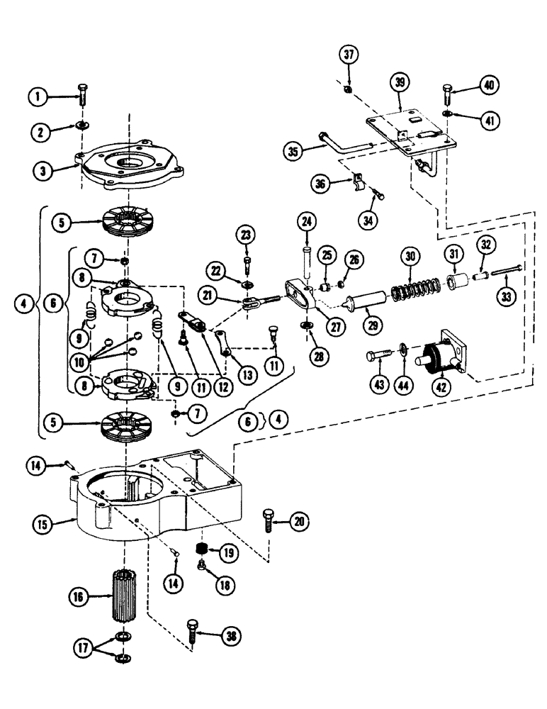
S611466

KIT

BRAKE, track drive, Includes: Ref. 1 - 41

2шт.

1

113-417

BOLT,Hex, 1/2" - 13 x 1-1/4", Gr 5, Full Thd

4шт.

2

192-23

LOCK WASHER,1/2"

WASHER, LOCK, 1/2"

4шт.

3

S507605

COVER

brake

1шт.

4

S510342

BRAKE

DISC ASSEMBLY, Includes: Ref. 5 - 13

1шт.

5

S107750

DISC

middle (used with 28 Ext tooth spline)

2шт.

5

S81615

GASKET

Disc, middle (used with 25 Ext tooth spline)

2шт.

6

S216242

CLUTCH DISC

ACTUATING DISC ASSEMBLY, Includes: Ref. 7 - 13

1шт.

7

86637933

JAM NUT,5/16" - 24, Gr 5

2шт.

8

S68704

DISC

actuating

2шт.

9

S68705

SPRING

2шт.

10

S68703

BALL

- 3/4" diameter

3шт.

11

S105785

STUD

2шт.

12

S68706

LINK

yoke

1шт.

13

S68707

LINK

1шт.

14

S79912

RIVET

2шт.

15

S612141

HOUSING

brake

1шт.

16

S511702

COUPLING,14T Internal / 28T External

Splined, with 28 Ext teeth

1шт.

16

S224667

COUPLING, BREAK AWAY

Splined, 13 Int Teeth with 25 Ext teeth

1шт.

17

R16289

SNAP RING,1.06", Int, #106

RING, snap, 1.06", Int, #106

2шт.

18

113-204

BOLT,Hex, 3/8" - 16 x 1/2", Gr 5, Full Thd

1шт.

19

S75334

GROMMET,5/16" ID x 3/4" Groove Dia

1шт.

20

165-138

HEX SOC SCREW,Prev Torque, 1/2" - 13 x 1 1/8"

BOLT, mounts housing to transmission

1шт.

21

S65002

FORK

YOKE

1шт.

23

S66646

BOLT,5/16" x 3/4"

SCREW, shoulder

1шт.

24

S61970

PIN

clevis - 1/2" x 2.516" grip length

1шт.

25

S64911

NUT

ball - seat

1шт.

26

86585245

SPECIAL NUT,JAM, 5/8" - 18

jam - 3/8" NF

1шт.

27

S203385

LEVER

1шт.

28

195-33

WASHER,1/2"

flat - 1/2"

1шт.

29

S223207

SPRING

STOP, spring

1шт.

30

S85984

DISC

WASHER, spring

29шт.

31

S103738

PLUG

spring

1шт.

32

S103737

SPACER

spring

1шт.

33

123-3

BOLT,Hex, 1/4" - 20 x 1 3/4", Gr 5, Full Thd

- 1/4" NC x 1-3/4"

1шт.

34

113-3

BOLT,Hex, 1/4" - 20 x 3/4", Gr 5

1шт.

35

S234881

LINE,0.25" OD x 3.3, 1.75" L

TUBE - (Includes bushing)

1шт.

36

A38799

CLAMP

1шт.

37

86625061

NUT,1/4"-20, GB

NUT, self locking - 1/4" NC

1шт.

38

165-123

HEX SOC SCREW,Prev Torque, 1/2" - 13 x 3"

BOLT, self locking - 1/2" NC x 3" Gr 8

1шт.

39

S234880

COVER ASSEMBLY

1шт.

40

113-206

BOLT,Hex, 3/8" - 16 x 3/4", Gr 5, Full Thd

4шт.

41

192-21

LOCK WASHER,3/8"

WASHER, LOCK, 3/8"

4шт.

42

REF

INSTRUCTION

CYLINDER, brake - (For breakdown, see Figure 160)

1шт.

43

61-412

HEX SOC SCREW,1/4"-20 x 3/4"

BOLT, mounts brake cylinder - 1/4" NC x 3/4" Gr 8

2шт.

44

192-19

LOCK WASHER,Helical Spring, 0.256" ID, CST, ZND

WASHER, LOCK, 1/4"

2шт.

Выбрано товаров: 46