Запчасти Case 880B (102) - WINDSHIELD WIPER KIT, (USED ON UNITS WITH SERIAL NUMBER 6201877 & AFTER) (05) - UPPERSTRUCTURE CHASSIS

Схема запчастей Case 880B - (102) - WINDSHIELD WIPER KIT, (USED ON UNITS WITH SERIAL NUMBER 6201877 & AFTER) (05) - UPPERSTRUCTURE CHASSIS
FIT
1:1
100%

Артикул

Название

Примечание

Количество

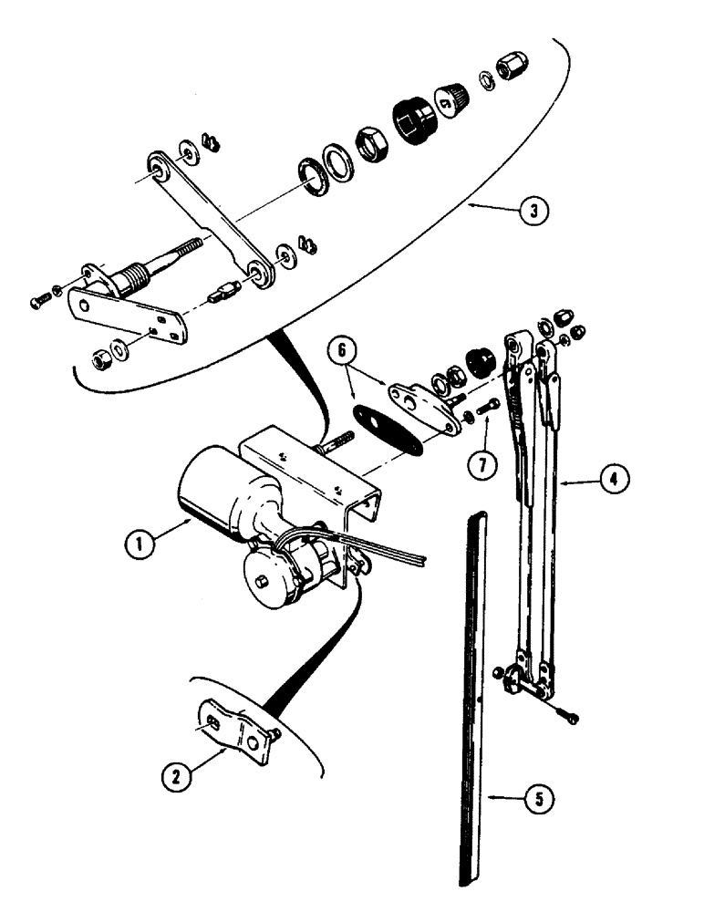
S615415

WIPER

KIT, wiper - 24 volt, Includes: Ref. 1 - 13

1шт.

S615416

KIT

wiper - 12 volt, Includes: Ref. 1 - 13

1шт.

1

S239047

MOTOR, ELECTRIC

MOTOR, 24 volt

1шт.

S239046

MOTOR, ELECTRIC

MOTOR, 12 volt

1шт.

2

A36091

ARM

drive

1шт.

3

S225151

SHAFT

pivot

1шт.

D72848

SHAFT

arm

1шт.

4

L35260

ARM

wiper

1шт.

5

S225152

BLADE

wiper

1шт.

6

S61798

KIT

PLATE, adapter

1шт.

7

S61799

SCREW

machine - 1/4" x 5/8"

2шт.

8

S61880

LIGHT ASSY.

DOME LIGHT ASSY - 24 volt - (Not illustrated), Includes: Ref. 9 - 13

1шт.

S61877

LIGHT

DOME LIGHT ASSY - 12 volt - (Not illustrated), Includes: Ref. 9 - 13

1шт.

9

S72165

TERMINAL CONNECTOR

TERMINAL - (Not illustrated)

1шт.

10

S117176

LIGHT, dome - (Not illustrated)

1шт.

11

S96651

BULB

24 volt - (Not illustrated)

1шт.

B50223

BULB

12 volt - (Not illustrated)

1шт.

12

NSS

NOT SOLD SEPARAT

SWITCH - (Not illustrated)

1шт.

13

S60825

SCREW

machine No. 6 x 1/2" mounts dome light - (Not illustrated)

4шт.

S117619

PLUG

24 volt

1шт.

Выбрано товаров: 20