Запчасти Case 880B (112) - TURNTABLE, BEARING, COUNTERWEIGHT AND RELATED PARTS (05) - UPPERSTRUCTURE CHASSIS

Схема запчастей Case 880B - (112) - TURNTABLE, BEARING, COUNTERWEIGHT AND RELATED PARTS (05) - UPPERSTRUCTURE CHASSIS
FIT
1:1
100%

Артикул

Название

Примечание

Количество

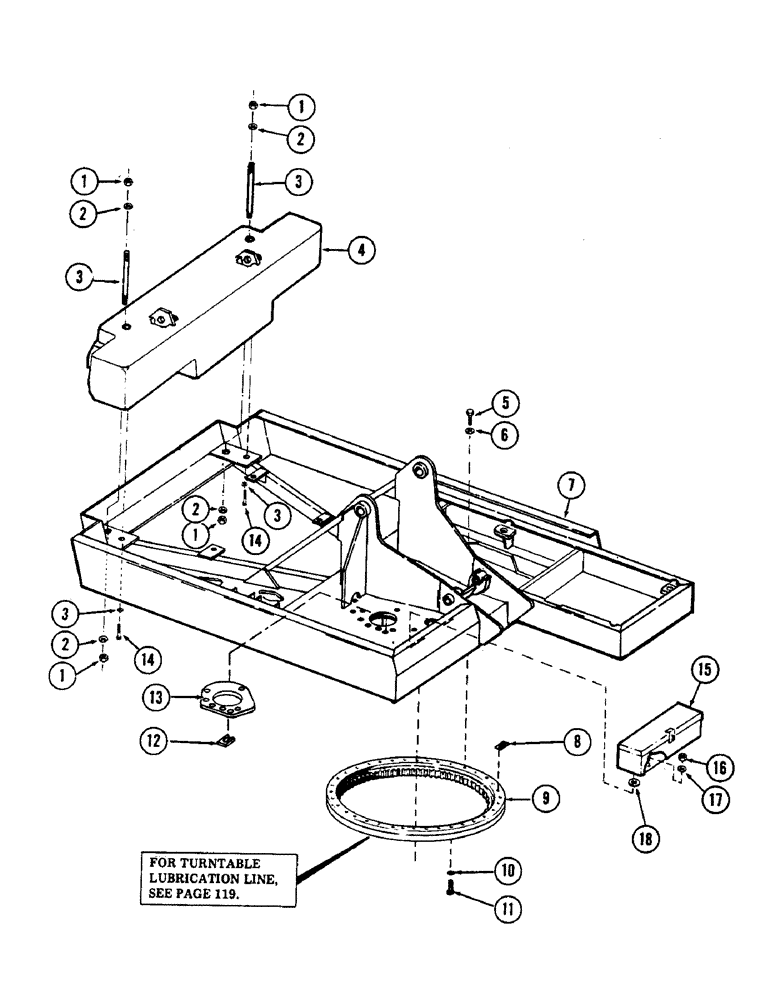
1

131-454

LOCK NUT,1 1/4"-7

NUT, 1-1/4" - 7 NC

4шт.

2

196-70

WASHER,1 3/8" x 3" x .180", HDN

plain - 1-3/8" ID

6шт.

3

S108713

STUD - 1-1/4" - 7 NC

2шт.

4

S955428

COUNTERWEIGHT

1шт.

5

S86503

BOLT

- bearing to turntable - 5/8" - 11 NC x 2-1/4" (Special DMC capscrew)

36шт.

6

S92353

WASHER

hardened

36шт.

7

S612452

ASSEMBLY

TURNTABLE, machine

1шт.

8

S84889

SHIM,.003" Thk

Bearing to turntable .003" Thk

1шт.

S84890

SHIM,.007" Thk

Bearing to turntable .007" Thk

1шт.

S77916

SHIM,.005" Thk

Bearing to turntable .005" Thk

1шт.

S77917

SHIM,.010" Thk

Bearing to turntable .010" Thk

1шт.

S77918

SHIM,.015" Thk

Bearing to turntable .015" Thk

1шт.

S77919

SHIM,.030" Thk

Bearing to turntable .030" Thk

1шт.

S77920

SHIM,.060" Thk

Bearing to turntable .060" Thk

1шт.

9

S508668

SLEWING RING

BEARING, turntable

1шт.

SEAL IS PART S105067

1шт.

10

S92353

WASHER

hardened

36шт.

11

S84906

BOLT

- bearing to flange - 5/8" - 11 NC x 2" (Special DMC capscrew)

36шт.

ANOTHER BOLT USED (NOT A SUB) PART 26-1032

1шт.

12

S84889

SHIM,.003" Thk

Reducer plate to turntable .003" Thk

1шт.

S84890

SHIM,.007" Thk

Reducer plate to turntable .007" Thk

1шт.

S77916

SHIM,.005" Thk

Reducer plate to turntable .005" Thk

1шт.

S77917

SHIM,.010" Thk

Reducer plate to turntable .010" Thk

1шт.

S77918

SHIM,.015" Thk

Reducer plate to turntable .015" Thk

1шт.

S77919

SHIM,.030" Thk

Reducer plate to turntable .030" Thk

1шт.

S77920

SHIM,.060" Thk

Reducer plate to turntable .060" Thk

1шт.

13

S506965

SUPPORT

swing reducer

1шт.

14

13-240

BOLT - 1-1/8" - 7 NC Gr 5

2шт.

15

A59844

BOX, TOOL

TOOL BOX

1шт.

16

86625061

NUT,1/4"-20, GB

NUT, self locking - 1/4" - 20 NC

4шт.

17

195-518

WASHER,1/4", SAE

flat - 1/4"

4шт.

18

195-530

WASHER,7/16"

flat - 1/2"

4шт.

Выбрано товаров: 0