Запчасти Case 880B (276) - RIPPER TOOTH (05) - UPPERSTRUCTURE CHASSIS

Схема запчастей Case 880B - (276) - RIPPER TOOTH (05) - UPPERSTRUCTURE CHASSIS
FIT
1:1
100%

Артикул

Название

Примечание

Количество

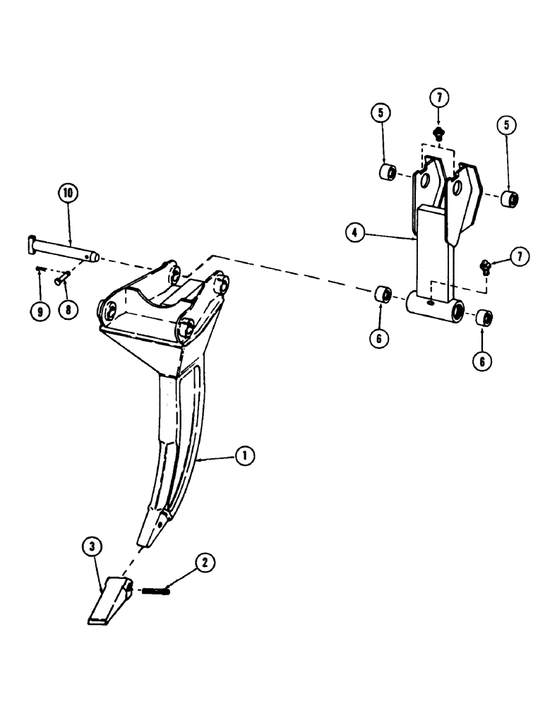
1

S608041

RIPPER, Includes: Ref. 2 and 3

1шт.

2

138-310

LOCK PIN,1/2" x 3", Slotted

PIN, 1/2" x 3", Slotted

1шт.

3

S25334

POINT

TIP, replaceable

1шт.

4

S223543

LINK

Includes: Ref. 5 - 7

1шт.

5

S202073

BUSHING

2шт.

6

S202134

BUSHING

2шт.

7

219-1

LUBE NIPPLE,1/8" - 27 NPTF

FITTING, grease - 1/8" NPT - (Straight)

3шт.

8

S61972

PIN

clevis - 1/2" x 3.766" grip length

1шт.

9

132-69

COTTER PIN,5/32" x 1"

Pin, Split (Cotter), 5/32" x 1"

1шт.

10

S223986

PIN

1шт.

Выбрано товаров: 10