Запчасти Case 880B (050) - ALTERNATOR, (USED ON UNITS WITH PIN 6201617 AND 6201619 AND AFTER) (06) - ELECTRICAL SYSTEMS

Схема запчастей Case 880B - (050) - ALTERNATOR, (USED ON UNITS WITH PIN 6201617 AND 6201619 AND AFTER) (06) - ELECTRICAL SYSTEMS
FIT
1:1
100%

Артикул

Название

Примечание

Количество

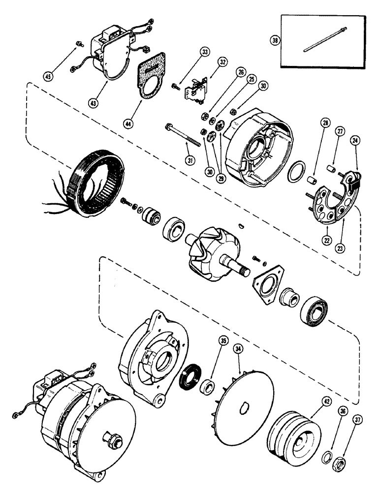
A47090

ALTERNATOR

ASSEMBLY - (Continued from figure 48), Includes: Ref. 22 - 38

1шт.

22

A47165

DIODE

RECTIFIER ASSEMBLY, negative, w/diodes & studs, Serial Range: (Anode-plate)

1шт.

23

A47164

DIODE

RECTIFIER ASSEMBLY, positive, w/diodes & studs, Serial Range: (Cathode-plate)

1шт.

24

A45253

DIODE ELEMENT

DIODE ASSEMBLY, trio

1шт.

25

192-18

LOCK WASHER,Helical Spring, #10, 0.196" ID, CST, ZND

WASHER, LOCK, #10

3шт.

25

192-19

LOCK WASHER,Helical Spring, 0.256" ID, CST, ZND

WASHER, LOCK, 1/4"

1шт.

26

129-17

NUT,Hex, #10 - 24

NUT - No. 10 NC hex

3шт.

26

129-141

JAM NUT,Jam, 1/4"-20, G5

1шт.

27

A45254

SPACER

trio diode

1шт.

28

A44771

SLEEVE CYLINDER

SLEEVE, insulator (1/4" x 5/16" x 1/2")

1шт.

28

A47156

SLEEVE CYLINDER

SLEEVE, insulator - (3/16 x 1/4 x 3/8")

1шт.

29

A45053

WASHER

insulating (1/4" x 3/4" x 1/16")

2шт.

29

A41038

WASHER

insulating (3/16" x 3/4" x 1/16")

2шт.

30

A41060

LOCK NUT

NUT - No. 10 - 24 hex, w/ext. skpf. washer

3шт.

31

A45030

BOLT

- thru (No. 10 NF x 4")

4шт.

32

A41048

BRUSH, COMMUTATOR

BRUSH ASSEMBLY - w/holder

1шт.

33

187-480

SCREW,Hex Hd, #8 x 1/2"

brush holder to rear housing

2шт.

34

A42431

FAN

ventilating

1шт.

35

A47162

SPACER

fan

1шт.

36

192-25

LOCK WASHER,5/8"

WASHER, LOCK, , Pulley 5/8"

1шт.

37

A41035

NUT

pulley retaining

1шт.

38

T54520

STRAP

WRAP, wire locking (Nylon tie)

2шт.

42

A41361

PULLEY

1шт.

43

A47167

REGULATOR

ASSEMBLY, voltage

1шт.

44

A47159

GASKET

regulator to rear housing

1шт.

45

182-519

SCREW,Sl Pan Hd, #4 - 40 x 3/16"

regulator mounting - (No. 8 - 32 x 1/2" self-tapping)

2шт.

45

187-1089

SELF-TAP SCREW,Hex Wash Hd, #8 x 3/4"

SCREW, regulator mounting - (No. 8 - 32 x 3/4" sltd. hex washer head)

2шт.

Выбрано товаров: 0