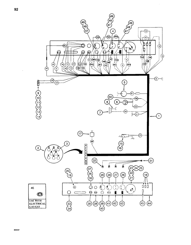
Запчасти Case 880C (092) - INSTRUMENTS AND TURNTABLE HARNESS, BEFORE PIN 6205236 (06) - ELECTRICAL SYSTEMS

Схема запчастей Case 880C - (092) - INSTRUMENTS AND TURNTABLE HARNESS, BEFORE PIN 6205236 (06) - ELECTRICAL SYSTEMS
FIT
1:1
100%

Артикул

Название

Примечание

Количество

1

S615328

HARNESS

WIRING HARNESS - instrument panel and cab, Includes: Ref. 2 and 3

1шт.

2

S107264

CONNECTION,ELECTRIC

PLUG - electrical harness, Includes: Ref. 3

1шт.

3

S99516

CONTACT

PIN - plug

8шт.

4

S206233

ELECTRICAL WIRE

WIRE - voltmeter ground

1шт.

5

REF

INSTRUCTION

HEATER - see Fig. 102

1шт.

6

S218252

SWITCH

- fast hoist push button

1шт.

7

D77650

HORN

- electrical, includes mounting bracket

1шт.

8

S228788

WIRE - horn ground

1шт.

9

L11349

SWITCH

- brake warning

1шт.

10

S114126

SPACER - switch

1шт.

11

173-71

SCREW,Sl Rnd Hd, #6 - 32 x 2"

- machine, No. 6 - 32 NC x 2"

2шт.

12

195-510

WASHER,#8

- flat, 3/16"

2шт.

13

193-24

LOCK WASHER,Int Tooth, #6

WASHER, LOCK, Int Tooth, #6

2шт.

14

129-15

NUT,#6-32

2шт.

15

S237789

VALVE

SOLENOID CONTROL VALVE - used with fast hoist

1шт.

16

S238309

DIODE

WIRE - diode, solenoid control valve

1шт.

17

REF

INSTRUCTION

FUEL GAUGE ASSEMBLY - see Fig. 52

1шт.

18

S115714

BREAKER

CIRCUIT BREAKER - electrical circuits

3шт.

19

S28822

LAMP

- panel

2шт.

20

T39535

BULB

- panel lamp

2шт.

21

S514333

HOURMETER

- electric

1шт.

22

A27780

FLANGE

RETAINER - ring

1шт.

23

173-62

SCREW - machine, No. 6 - 32 NC x 9/16"

3шт.

24

192-15

LOCK WASHER,Helical Spring, #6, 0.145" ID, CST, ZND

Washer, Lock, #6

3шт.

25

129-15

NUT,#6-32

3шт.

26

S108399

ELECTRICAL GAUGE

GAUGE - fuel level

1шт.

27

S237893

VOLTMETER

- battery

1шт.

28

S108395

GAUGE

- engine temperature

1шт.

29

S108397

ELECTRICAL GAUGE

GAUGE - oil pressure

1шт.

30

D34924

SWITCH

- horn

1шт.

31

S238531

HARNESS - panel gauges

1шт.

32

S116543

BULB

- gauges and voltmeter

4шт.

33

S96034

LIGHT

LAMP - brake warning

1шт.

34

S97035

BULB

- lamp

1шт.

35

S108413

SWITCH

KEY SWITCH - electrical system, Includes: Ref. 36

1шт.

36

A60319

KEY

- switch

1шт.

37

193-37

LOCK WASHER,Int Tooth, 1"

WASHER, LOCK, Int Tooth, 1"

1шт.

38

REF

INSTRUCTION

SWITCH - heater, furnished with heater, see Figure 102, if used

1шт.

39

S225028

IGNITION SWITCH

SWITCH - windshield wiper, Includes: Ref. 40

1шт.

40

D80343

KNOB - wiper switch

1шт.

41

D34924

SWITCH

- cold start button, if used

1шт.

42

S88636

IGNITION SWITCH

SWITCH - panel lamps

1шт.

43

S88636

IGNITION SWITCH

SWITCH - work lamps, if used

1шт.

44

REF

INSTRUCTION

PANEL - instrument, see Figure 88

1шт.

45

S115714

BREAKER

CIRCUIT BREAKER - work lamps, if used

1шт.

46

193-25

LOCK WASHER,Int Tooth, 0.172" ID x 0.332" OD, STL, PLN

WASHER, LOCK, Int Tooth, #8

1шт.

46

193-99

LOCK WASHER,Int Tooth, #10

WASHER, LOCK, Int Tooth, #10

1шт.

46

193-28

LOCK WASHER,Int Tooth, 1/4"

WASHER - internal tooth lock, 1/4"

1шт.

47

S108406

RESISTOR

- fuel, engine temperature, and oil pressure gauges

3шт.

48

193-99

LOCK WASHER,Int Tooth, #10

WASHER, LOCK, Int Tooth, #10

3шт.

49

129-37

NUT,#10-32

3шт.

50

S237348

HARNESS - fast hoist switch

1шт.

Выбрано товаров: 52