Запчасти Case 880C (210) - SWING MOTOR HYDRAULIC CIRCUIT, PIN 6205456 AND AFTER (07) - HYDRAULIC SYSTEM

Схема запчастей Case 880C - (210) - SWING MOTOR HYDRAULIC CIRCUIT, PIN 6205456 AND AFTER (07) - HYDRAULIC SYSTEM
FIT
1:1
100%

Артикул

Название

Примечание

Количество

1

REF

INSTRUCTION

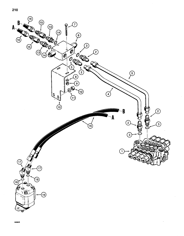
CONTROL VALVE - inside, see Figures 262-264

1шт.

2

218-5069

HYD CONNECTOR,1-5/16" - 12 Male JIC x 1-5/16" - 12 Male ORB

Adapter - straight, at control valve and left-hand relief valve ports, Incl. Ref. 3

4шт.

3

218-5010

O-RING,0.116" Thk x 1.171" ID, -916, Cl 6, 90 Duro

- adapter

1шт.

4

S240512

TUBE - front control valve port to front relief valve port 1" OD

1шт.

5

S240511

TUBE ASSY.,1" OD x 27, 7.6" L

TUBE - rear control valve port to rear relief valve port

1шт.

6

S236820

VALVE

RELIEF VALVE - crossover, parts list Figure 280

1шт.

7

113-167

BOLT,Hex, 5/16" - 18 x 4", Gr 5

2шт.

8

196-5

WASHER,13/32" x 1 1/16" x .095", HDN

- flat, 5/16", hardened

2шт.

9

131-462

NUT,5/16"-18

NUT - hex, self-locking, 5/16" - 18 NC

2шт.

10

S513951

BRACKET - relief valve mounting

1шт.

11

S95569

WASHER

- flat, 1/2", hardened

2шт.

12

131-70

NUT,1/2"-13, GB

NUT - hex, self-locking, 1/2"

2шт.

13

218-5077

HYD CONNECTOR,1-1/16" - 12 Male JIC x 1-5/16" - 12 Male ORB

ADAPTER - straight, at right-hand relief valve ports, Incl. Ref. 14

2шт.

14

218-5010

O-RING,0.116" Thk x 1.171" ID, -916, Cl 6, 90 Duro

- adapter

1шт.

15

218-5231

ELBOW,90 Degree, 1 1/16"-12, 37 Degree x 1 1/16"-12, 37 Degree Fem Sw

at right-hand relief valve ports 90º, 1 1/16"-12, 37º x 1 1/16"-12, 37º Fem Sw

2шт.

16

S400834

HOSE

- to swing motor, 36-1/2" (927 mm) long

2шт.

17

218-5138

ELBOW,45 Degree Elbow, 1-1/16" - 12 Male JIC x 1-1/16" - 12 Male ORB

- 45 degree, at swing motor ports, Includes: Ref. 18

2шт.

18

218-5008

O-RING,0.116" Thk x 0.924" ID, -912, Cl 6, 90 Duro

- elbow

1шт.

19

S33530

MOTOR

- swing, hydraulic, parts list Figure 282

1шт.

Выбрано товаров: 19