Запчасти Case 880D (066) - L112091 ALTERNATOR (06) - ELECTRICAL SYSTEMS

Схема запчастей Case 880D - (066) - L112091 ALTERNATOR (06) - ELECTRICAL SYSTEMS
FIT
1:1
100%

Артикул

Название

Примечание

Количество

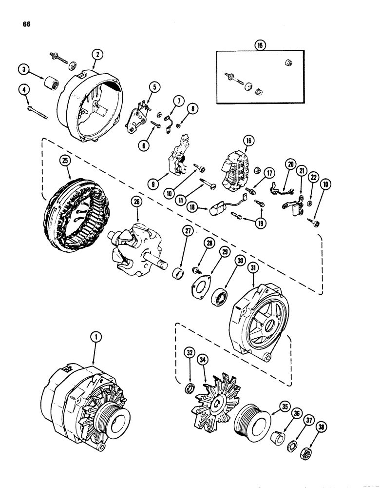
1

L112091

ALTERNATOR

ALTERNATOR ASSEMBLY - engine (Delco-Remy No. 1105537), Includes: Ref. 2 - 38

1шт.

L112091 IS INVALID. ORDER P/N A167152.

1шт.

A167152

ALTERNATOR

ALTERNATOR - 24 Volt 40 AMP

1шт.

104260A1R

REMAN-ALTERNATOR

Remanufactured 24 VOLT, 40 AMP Alternator

1шт.

104260A1C

CORE-ALTERNATOR

Return Number, 24 VOLT, 40 AMP Alternator

1шт.

2

A47595

FRAME

FRAME ASSEMBLY - slip ring end, Includes: Ref. 3

1шт.

3

A47578

ROLLER BEARING,0.6694" ID x 0.937" OD x 0.73"

BEARING - frame

1шт.

4

163-6

SCREW,Hex, #10 - 24 x 1 3/4"

BOLT - through, hex, No. 10-24 x 1-3/4 inch

4шт.

5

A49732

REGULATOR

REGULATOR - voltage

1шт.

6

A47043

SCREW,#8 - 32 x 21"

SCREW - brush holder, grounded

1шт.

7

A45369

ELECTRICAL WIRE

WIRE LEAD -, Serial Range: stud-bridge

1шт.

8

A45368

NUT

NUT - terminal

1шт.

9

A47042

HOLDER

HOLDER ASSEMBLY - brush

1шт.

A47987

BRUSH, COMMUTATOR

BRUSH BRUSH - alternator

2шт.

10

A45223

SCREW,Spcl, #8 - 32 x 1 1/8"

SCREW - brush holder, insulated

1шт.

11

A47581

SCREW,#8 - 32 x 1.43"

SCREW - brush holder, retainer

1шт.

15

A47597

TERMINAL CONNECTOR

TERMINAL KIT - battery

1шт.

16

A46942

ELEC CONNECTOR

RECTIFIER BRIDGE - alternator

1шт.

17

A45221

SCREW,Hex Wshr Hd, #8 - 32 x 0.99"

SCREW - bridge retaining

1шт.

18

A47734

CAPACITOR

CAPACITOR - alternator

1шт.

19

A45228

SELF-TAP SCREW,Hex Wash Hd, #8-32 x .59", Spc

SCREW - capacitor bracket

2шт.

20

A46931

TERMINAL CONNECTOR

TERMINAL - relay

1шт.

21

A48339

DIODE

DIODE - trio

1шт.

22

129-16

NUT,#8-32

NUT, , Diode to bridge #8-32

3шт.

25

A49388

STATOR

STATOR ASSEMBLY - alternator

1шт.

26

A46945

ROTOR

ROTOR ASSEMBLY - alternator

1шт.

27

A48261

COLLAR

COLLAR - rotor shaft, inner

1шт.

28

A46941

SCREW,Hex Washer, #10 - 24 x 0.52"

SCREW - bearing plate retaining

3шт.

29

R15101

PLATE

PLATE - bearing retaining

1шт.

30

A49389

BEARING ASSY

BEARING - ball, drive end

1шт.

31

A49174

CAP

FRAME - drive end

1шт.

32

A49733

COLLAR

COLLAR - rotor shaft, outer

1шт.

34

A43384

FAN

FAN - alternator ventilating

1шт.

35

A49734

PULLEY

PULLEY - drive

1шт.

36

A49735

COLLAR CLAMP

COLLAR - pulley, tapered

1шт.

37

R16171

SPRING WASHER

WASHER - lock, pulley nut

1шт.

38

A25546

NUT

NUT - pulley and fan retaining

1шт.

Выбрано товаров: 37