Запчасти Case 888 (9B-02) - ENGINE FRAME AND ACCESS COVERS (09) - CHASSIS

Схема запчастей Case 888 - (9B-02) - ENGINE FRAME AND ACCESS COVERS (09) - CHASSIS
1
10
20
6
3
12
8
23
25
17
19
9
8
7
4
21
5
24
4
16
18
3
16
4
5
17
14
2
22
11
18
15
4
19
13
FIT
1:1
100%

Артикул

Название

Примечание

Количество

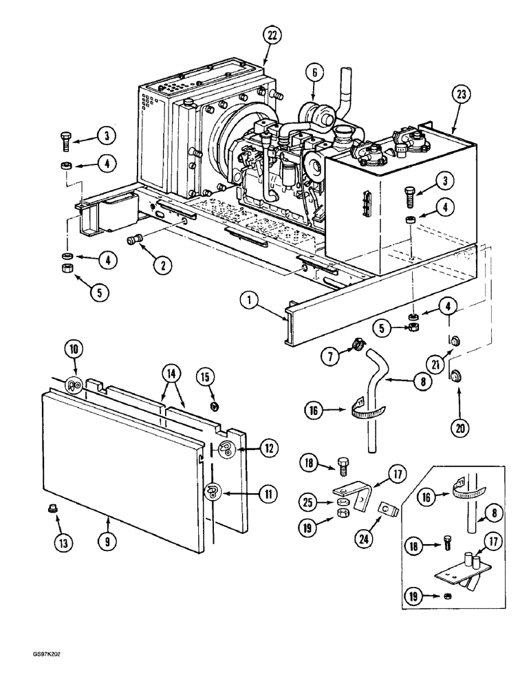
1

P1055522

CHASSIS

FRAME - engine and hydraulic reservoir mounting, no longer available, order frame P1055556 below, Serial Range: 15401-15639

1шт.

1

P1055522

CHASSIS

FRAME - engine and hydraulic reservoir mounting, no longer available, order frame P1055556 below, Serial Range: 106801-106811

1шт.

1

P1055556

CHASSIS

FRAME - engine and hydraulic reservoir mounting

1шт.

2

P41478

GROMMET

- frame, electrical harness

5шт.

3

P33866

SCREW

BOLT - hex, 20 mm x 75 mm

5шт.

4

P4328747

WASHER

SPACER - bolt, 14 mm thick

10шт.

5

P134564

SAFETY NUT

NUT - hex, self-locking, 20 mm

5шт.

6

REF

INSTRUCTION

ENGINE - excavator, see Figures 2-26 through 2-58 and 3-8 - 3-14

1шт.

7

P36998

COLLAR CLAMP

CLAMP - breather hose

2шт.

8

REF

INSTRUCTION

HOSE - engine breather, 550 mm (21-21/32 inch) long, cut from bulk hose P31901 below, Serial Range: 15401-15639

1шт.

8

REF

INSTRUCTION

HOSE - engine breather, 550 mm (21-21/32 inch) long, cut from bulk hose P31901 below, Serial Range: 106801-106811

1шт.

8

REF

INSTRUCTION

HOSE - engine breather, 670 mm (26-3/8 inch) long, cut from bulk hose P31901 below, Start Serial: 15640

1шт.

8

REF

INSTRUCTION

HOSE - engine breather, 670 mm (26-3/8 inch) long, cut from bulk hose P31901 below, Start Serial: 106812

1шт.

9

P7043837

COWL

COVER - engine front

1шт.

10

REF

INSTRUCTION

SEAL - cover, 1430 mm (56-19/64 inch) long, cut from bulk seal P1303155 below

1шт.

11

REF

INSTRUCTION

SEAL - cover, 495 mm (19-1/2 inch) long, cut from bulk seal P1303155 below

1шт.

12

REF

INSTRUCTION

SEAL - cover, 65 mm (2-9/16 inch) long, cut from bulk seal P1303155 below

1шт.

13

P41467

STOP

PLUG - cover, rubber

4шт.

14

P4441452

FOAM

PAD - insulation, engine cover (Replaces pad P3841486)

2шт.

15

P3036998

CLIP,ELECTRICAL

RETAINER -, Serial Range: pad-cover

14шт.

16

P51946

CLAMP

STRAP - tie, hose, 258 mm (10-1/8 inch) long

1шт.

17

P7428224

SUPPORT

- hose, engine breather, Serial Range: 15401-15639

1шт.

17

P7428224

SUPPORT

- hose, engine breather, Serial Range: 106801-106811

1шт.

17

P3226183

SUPPORT

- hose, engine breather, Start Serial: 15640

1шт.

17

P3226183

SUPPORT

- hose, engine breather, Start Serial: 106812

1шт.

18

P933890

SCREW

BOLT - hex, 10 mm x 30 mm

1шт.

19

P34598

SAFETY NUT

NUT - hex, self-locking, 10 mm

1шт.

20

P3237454

PLASTIC PLUG

PLUG - plastic, at frame, small

1шт.

21

P3037441

PLASTIC PLUG

PLUG - plastic, at frame, large

2шт.

22

REF

INSTRUCTION

COOLER - oil and water, see Fig. 2-10 or 2-12

1шт.

23

REF

INSTRUCTION

RESERVOIR - hydraulic oil, see Fig. 8A-02

1шт.

24

P3036926

BASE

RETAINER - tie strap, Start Serial: 15640

1шт.

24

P3036926

BASE

RETAINER - tie strap, Start Serial: 106812

1шт.

25

P34611

WASHER

SPACER - flat, 10 mm, Start Serial: 15640

1шт.

25

P34611

WASHER

SPACER - flat, 10 mm, Start Serial: 106812

1шт.

P31901

HOSE, BULK

HOSE - bulk, sold by the meter

1шт.

P1303155

PROFILE

SEAL - bulk, sold by the meter

1шт.

Выбрано товаров: 0