Запчасти Case 888 (9E-10) - CAB, CAB FRAME AND RELATED PARTS (09) - CHASSIS

Схема запчастей Case 888 - (9E-10) - CAB, CAB FRAME AND RELATED PARTS (09) - CHASSIS
12
7
2
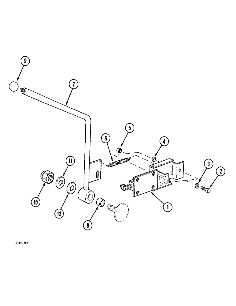
1
3
8
4
11
8
10
5
9
FIT
1:1
100%

Артикул

Название

Примечание

Количество

P8443828

CAB

ASSMBLY - excavator, Includes: Ref. 1 - 12

1шт.

1

P852086

LOCK ASSY

LATCH - door open

1шт.

2

P32621

SCREW

BOLT - latch to door, 6 mm x 16 mm, Start Serial: 15401

5шт.

2

P32621

SCREW

BOLT - latch to door, 6 mm x 16 mm, Start Serial: 106801

5шт.

2

120100

BOLT,M6 x 20mm, Cl 8.8

Latch to door, If used Hex, M6 x 20, 8.8

5шт.

3

P34607

WASHER

- flat, 6 mm

5шт.

4

P3528799

WASHER

SPACER - latch bolt, 4 mm thick

1шт.

5

15896221

NUT,Hex, M6, 5.20mm High, Cl 10

, Start Serial: 15401

5шт.

5

15896221

NUT,Hex, M6, 5.20mm High, Cl 10

, Start Serial: 106801

5шт.

5

P234513

SAFETY NUT

NUT - safety, hex, 6 mm, if used

5шт.

6

P38002

COIL SPRING

SPRING - handle return

1шт.

P4842763

CONTROL LEVER

HANDLE ASSEMBLY - door latch, Includes: Ref. 7 and 8

1шт.

7

NSS

NOT SOLD SEPARAT

HANDLE - door latch, order handle assembly

1шт.

8

P28780

SELF LUB RING

BUSHING - door handle

1шт.

9

P29938

BALL KNOB

KNOB - handle

1шт.

10

P134549

SAFETY NUT

NUT - hex, self-locking, 14 mm

1шт.

11

P34614

WASHER

- flat, 14 mm

1шт.

12

P34906

RUBBER WASHER

WASHER - spring type

1шт.

Выбрано товаров: 0