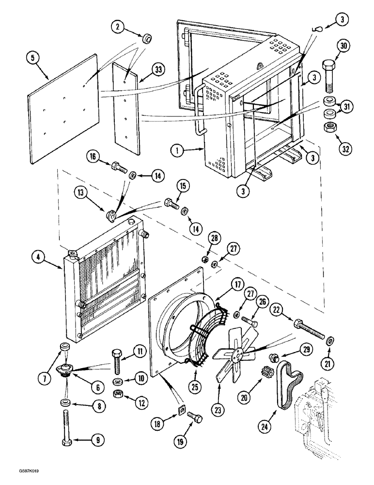
Запчасти Case 888 (2-12) - RADIATOR, OIL COOLER AND RADIATOR SHROUD, P.I.N. 15576 AND AFTER, P.I.N. 106803 AND AFTER (02) - ENGINE

Схема запчастей Case 888 - (2-12) - RADIATOR, OIL COOLER AND RADIATOR SHROUD, P.I.N. 15576 AND AFTER, P.I.N. 106803 AND AFTER (02) - ENGINE
5
32
16
3
27
26
27
30
15
14
21
11
7
29
20
8
25
31
9
18
19
6
33
4
12
17
23
24
13
2
3
1
14
3
3
28
10
22
FIT
1:1
100%

Артикул

Название

Примечание

Количество

1

P8643844

ELECTRICAL CABINET

SHROUD - radiator, see Fig. 9B-12, Ref. 1

1шт.

2

P3036998

CLIP,ELECTRICAL

RETAINER -, Serial Range: pad-shroud

12шт.

3

REF

INSTRUCTION

SEAL - shroud, 670 mm (26-3/8 inch) long, cut from bulk seal P4441419 below

4шт.

4

REF

INSTRUCTION

RADIATOR ASSEMBLY - engine and hydraulic oil cooling, parts list Fig. 2-14 or 2-16

1шт.

5

P4441464

FOAM

PAD - insulation, shroud, right-hand side (Replaces pad P4241488)

1шт.

6

P2241484

SUPPORT

MOUNT - rubber, lower radiator

2шт.

7

P4328730

WASHER

SPACER - bolt, 20 mm thick

2шт.

8

P3528795

WASHER

SPACER - bolt, 7 mm thick

2шт.

9

P933808

SCREW

BOLT - hex, 10 mm x 90 mm

2шт.

10

P3528794

WASHER

SPACER - bolt, 6 mm thick

6шт.

11

P733029

SCREW

BOLT - hex, 8 mm x 30 mm, full thread

6шт.

12

P134596

SAFETY NUT

NUT - hex, self-locking, 8 mm

6шт.

13

P4241459

SUPPORT

MOUNT - rubber, radiator top

2шт.

14

P3528799

WASHER

SPACER - bolt, 4 mm thick

6шт.

15

P32621

SCREW

BOLT - hex, 6 mm x 16 mm

4шт.

16

120100

BOLT,M6 x 20mm, Cl 8.8

2шт.

17

P5140304

ORIFICE RING

SHROUD - fan

1шт.

18

P5123410

PLATE

SPACER - bolt, 6 mm thick

8шт.

19

J900227

BOLT,Hex, M8 x 1.25 x 22mm, Cl 10.9

(Replaces bolt P933817) Hex, M8 x 1.25 x 22

8шт.

20

A184523

SPACER

- fan blade

1шт.

21

P5428776

WASHER

- flat, special

4шт.

22

P233832

SCREW

BOLT - hex, 10 mm x 80 mm, full thread

4шт.

23

A189123

FAN

- engine cooling

1шт.

24

J911557

V-BELT,27.92mm W x 1422.4mm L, 8 Ribs

Radiator Fan 3.56 mm W x 1422.40 mm L, 8 Ribs

1шт.

25

P7628275

PROTECTOR

GUARD - fan

1шт.

26

P233830

SCREW

BOLT - hex, 8 mm x 40 mm

3шт.

27

P3528794

WASHER

SPACER - bolt, 6 mm thick

6шт.

28

P134596

SAFETY NUT

NUT - hex, self-locking, 8 mm

3шт.

29

J914462

PULLEY,163mm OD

- radiator fan, see Fig. 2-26 for mounting

1шт.

30

P33866

SCREW

BOLT - hex, 20 mm x 75 mm

4шт.

31

P4328747

WASHER

SPACER - bolt, 14 mm thick

8шт.

32

P134564

SAFETY NUT

NUT - hex, self-locking, 20 mm

4шт.

33

P4441462

FOAM

PAD - insulation, shroud, rear side (Replaces pad P4241424)

1шт.

P4441419

PROFILE

SEAL - bulk, sold by the meter

1шт.

Выбрано товаров: 34