Запчасти Case 888 (3-02) - FUEL TANK AND STORAGE COMPARTMENT (03) - FUEL SYSTEM

Схема запчастей Case 888 - (3-02) - FUEL TANK AND STORAGE COMPARTMENT (03) - FUEL SYSTEM
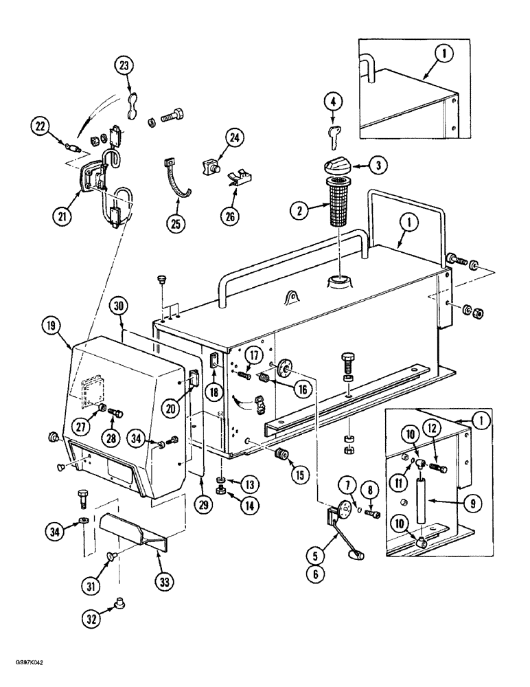
1
6
5
15
1
18
29
34
33
26
11
10
20
24
13
16
34
19
4
32
10
21
8
1
27
7
9
12
23
3
2
22
31
14
30
28
25
17
FIT
1:1
100%

Артикул

Название

Примечание

Количество

1

P1540262

FUEL TANK

TANK - fuel, diesel engine

1шт.

2

P50537

FILTER BOWL

STRAINER - fuel

1шт.

3

P3337451

FILLER CAP

CAP ASSEMBLY - filler, fuel tank (Replaces cap assembly P3237496), Includes: Ref. 4

1шт.

P8846020

SEAL

- filler cap

1шт.

4

P1352009

KEY

- filler cap, set of two

1шт.

5

P1941813

GAUGE

UNIT - sending, electrical, fuel gauge

1шт.

6

P8846063

SEAL

- fuel gauge

1шт.

7

P34703

WASHER

- lock, 4 mm

6шт.

8

P32530

SCREW

- slotted, 4 mm x 10 mm

6шт.

9

REF

INSTRUCTION

HOSE - sight gauge, fuel level, 249 mm (9-13/16 inch) long, cut from bulk hose P3683 below, Serial Range: 15401-15631

1шт.

9

REF

INSTRUCTION

HOSE - sight gauge, fuel level, 249 mm (9-13/16 inch) long, cut from bulk hose P3683 below, Start Serial: 106801

1шт.

10

P1337053

FITTING

CONNECTOR - special, hose end, Serial Range: 15401-15631

2шт.

10

P1337053

FITTING

CONNECTOR - special, hose end, Start Serial: 106801

2шт.

11

P5346094

SEAL

GASKET - connector to tank, Serial Range: 15401-15631

2шт.

11

P5346094

SEAL

GASKET - connector to tank, Start Serial: 106801

2шт.

12

P730090

BANJO BOLT

BOLT - special, fuel hose connector, Serial Range: 15401-15631

2шт.

12

P730090

BANJO BOLT

BOLT - special, fuel hose connector, Start Serial: 106801

2шт.

13

P146001

WASHER, SEALING

SEAL - plug

1шт.

14

P37495

PLUG

- tank drain

1шт.

15

P141485

GROMMET

- harness, large

1шт.

16

P3441418

GROMMET

- harness, small

1шт.

17

P32465

SCREW

- slotted hex, 10 mm x 25 mm

4шт.

18

P3523166

PLATE

- mounting

2шт.

19

P8143821

DOOR

ASSEMBLY - storage compartment, Includes: Ref. 20 - 23

1шт.

20

P736667

HINGE

ASSEMBLY - storage compartment, Serial Range: welded-door

2шт.

P3337440

PLUG

- plastic, grease

2шт.

21

P1352039

LOCK ASSY

HANDLE AND LOCK ASSEMBLY - door, Includes: Ref. 22 and 23

1шт.

22

P152083

LOCK, CYLINDER

CYLINDER ASSEMBLY - lock

1шт.

P1352009

KEY

- cylinder lock, set

1шт.

23

P2340499

DOOR COVER

COVER - cylinder protection

1шт.

24

P2036939

CLASP

RETAINER - tie strap

1шт.

25

P336923

CLAMP

STRAP - tie, harness, 117 mm (4-5/8 inch) long

1шт.

26

P2036902

CLASP

CLIP - retainer, 3 - 6 mm (1/8 - 1/4 inch) range

1шт.

27

P3528799

WASHER

SPACER - bolt, 4 mm

4шт.

28

P32621

SCREW

BOLT - hex, 6 mm x 16 mm

4шт.

29

REF

INSTRUCTION

SEAL - door, 1562 mm (61-1/2 inch) long, cut from bulk seal P303167 below

1шт.

30

REF

INSTRUCTION

SEAL - door, right-hand side, 600 mm (23-5/8 inch) long, cut from bulk seal P303167 below

1шт.

31

P234587

NUT

RETAINER - bolt, sleeve type, 8 mm

1шт.

32

P234587

NUT

RETAINER - bolt, sleeve type, 8 mm

2шт.

33

P3326367

PROTECTION PLATE

PANEL - door, inner

1шт.

34

P3528794

WASHER

SPACER - bolt, 6 mm thick

3шт.

P3683

TUBE

HOSE - bulk, sold by the meter

1шт.

P303167

GASKET

SEAL - bulk, sold by the meter Continued on Fig. 3-04

1шт.

Выбрано товаров: 43