Качественные детали и логистика
Оригинальные и аналоговые запчасти с доставкой по России, Казахстану и Беларуси
©2022 PartSell ООО "Система" ИНН 2463123282 ОГРН 1212400004838
Центральный офис: г. Красноярск, Академика Киренского, д.87, пом.4
Телефон: 8 (800) 777-65-74 Email: zakaz@partsell.ru
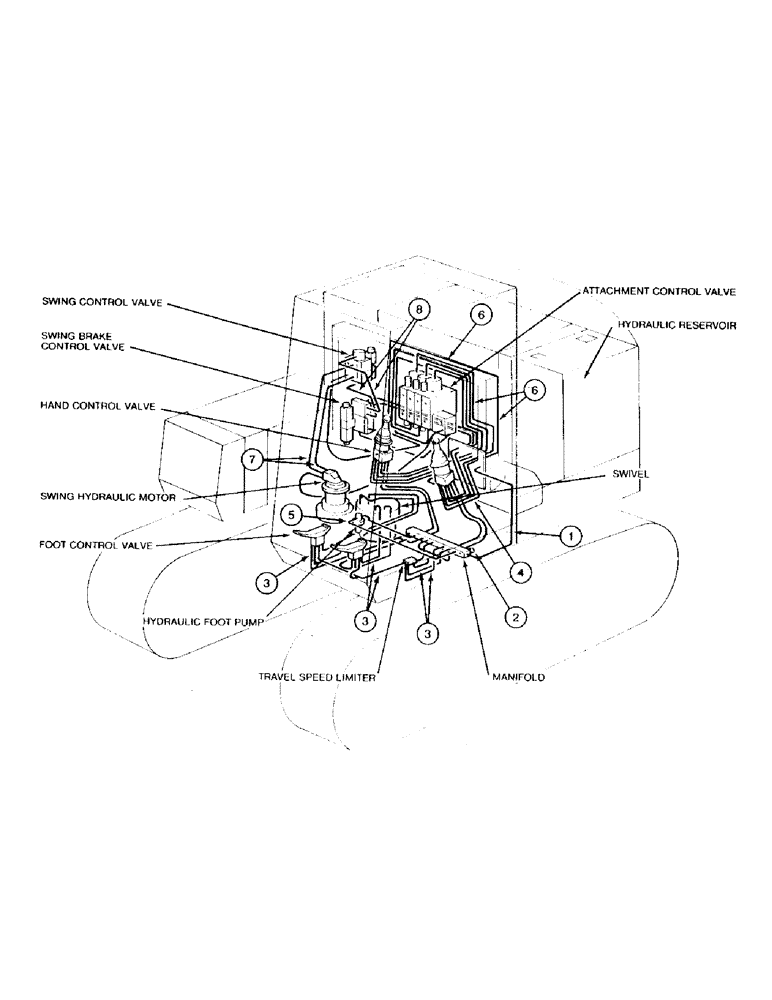
(1-010) - PICTORIAL INDEX, HYDRAULIC SYSTEM
№
Артикул
Название
Примечание
Количество
1
Hose, Control Circuit, Page 8-95
1шт.
2
Pressure Check, Page 8-95
3
Hose, Control Circuit, Pages 8-97, 8-99
4
Hose, Control Circuit, Pages 8-101, 8-103
5
Hose, Foot Pump Control Circuit, Pages 8-101, 8-103
6
Tube, Control, Pages 8-65 - 8-69
7
Hose, Swing, Page 8-75
8
Tube, Control Circuit, Page 8-75
Выбрано товаров: 0