Запчасти Case 888 (9-100) - TOOL CYLINDER LINKS (09) - CHASSIS

Схема запчастей Case 888 - (9-100) - TOOL CYLINDER LINKS (09) - CHASSIS
FIT
1:1
100%

Артикул

Название

Примечание

Количество

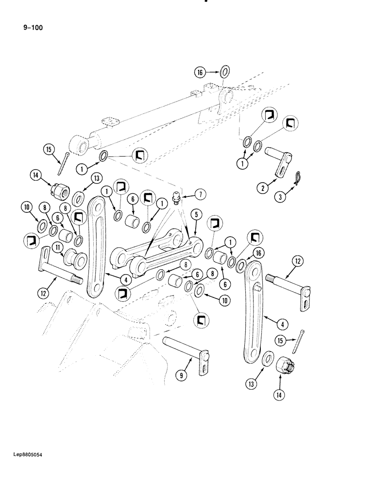
1

P151309

SEAL

- cylinder pin and link

8шт.

2

P50388

HEADED PIN

PIN - tool cylinder to arm, base end

1шт.

3

P36020

SPLIT PIN/SAFETY PIN

HAIR PIN - split, lock pin

1шт.

4

P704208

LINKAGE YOKE

LINK -, Serial Range: cylinder-arm

2шт.

P1755549

ROD, CONNECTING

LINK ASSEMBLY - cylinder to attachment, Include: Ref. 5 - 7

1шт.

5

NSS

NOT SOLD SEPARAT

LINK -, Serial Range: cylinder-attachment

1шт.

6

P4628706

BUSHING

- link

4шт.

7

933781R1

LUBE NIPPLE,M10 x 1

NIPPLE, LUBE, M10 x 1

4шт.

8

P151313

SEAL

- bucket link pin

4шт.

9

P130918

HEADED PIN

PIN, HEADED - cylinder, Serial Range: link-bucket

1шт.

10

P3145326

WASHER

- special, link pin

2шт.

11

P6528205

SPACER

- cylinder link

1шт.

12

P2930952

HEADED PIN

PIN - cylinder links to cylinder and arm

2шт.

13

P34625

WASHER

- special, link pin to cylinder and arm

2шт.

14

P34337

NUT

- hex, slotted

2шт.

15

P35558

SPLIT PIN

COTTER PIN - 8 mm x 100 mm long

2шт.

16

P145347

WASHER

- special, link adjustment

1шт.

Выбрано товаров: 17