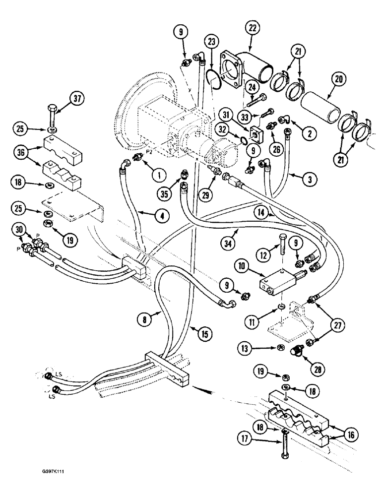
Запчасти Case 888 (8B-10) - HYDRAULIC PUMP LINES, P.I.N. 15591 THRU 15637, P.I.N. 106805 THRU 106810 (08) - HYDRAULICS

Схема запчастей Case 888 - (8B-10) - HYDRAULIC PUMP LINES, P.I.N. 15591 THRU 15637, P.I.N. 106805 THRU 106810 (08) - HYDRAULICS
11
18
36
31
10
33
22
9
20
23
19
9
19
3
2
37
28
16
14
32
29
26
13
12
1
25
9
9
18
21
24
21
25
8
34
17
30
27
4
15
18
35
FIT
1:1
100%

Артикул

Название

Примечание

Количество

1

P3237533

UNION

ADAPTER ASSEMBLY - straight

1шт.

P1145268

SEAL

- adapter

1шт.

2

P1737021

ANGLE

ELBOW - 90 degree

1шт.

3

P6531904

HOSE

- pressure, to solenoid valve, 1600 mm (63 inch) long

1шт.

4

P5431933

HOSE

- pressure, to swing control valve, 1250 mm (49-3/16 inch) long

1шт.

8

P5431986

HOSE

- leak return, 1000 mm (39-3/8 inch) long

1шт.

9

P3237530

UNION

ADAPTER ASSEMBLY - straight

3шт.

P7046042

SEAL

- adapter

1шт.

10

P4043379

SHIN

VALVE ASSEMBLY - leak return, parts list Fig. 8B-44

1шт.

11

P3528794

WASHER

SPACER - bolt, 6 mm thick

4шт.

12

P132970

DEUTZ PART

BOLT - hex, 8 mm x 60 mm, order from Deutz

2шт.

13

P134596

SAFETY NUT

NUT - hex, self-locking, 8 mm

2шт.

14

P5431970

HOSE

- leak return, pump to filter, 630 mm (24-13/16 inch) long

1шт.

15

P7331927

HOSE

- leak return, pump to tee, 1800 mm (70-7/8 inch) long

1шт.

16

P5120338

SHIN

CLAMP - tube (Replaces clamp P4820314)

2шт.

17

P933808

SCREW

BOLT - hex, 10 mm x 90 mm

2шт.

18

P3528795

WASHER

SPACER - bolt, 7 mm thick

6шт.

19

P34598

SAFETY NUT

NUT - hex, self-locking, 10 mm

4шт.

20

P6631970

LARGE HOSE

HOSE - suction, reservoir to tube at pump

1шт.

21

214-1456

HOSE CLAMP,#56, 3.06" - 4", Type F Worm

CLAMP - suction hose, adjustable, 3-1/16 - 4 inch diameter (Replaces clamp P1236903)

4шт.

22

P3750139

MANIFOLD

TUBE - suction, at pump, no longer available, order tube P4050168, four P32962 bolts and four P4328746 spacers

1шт.

22

P4050168

MANIFOLD

TUBE - suction, at pump

1шт.

P32962

SCREW

BOLT - hex socket, 16 mm x 50 mm, used with tube P4050168

4шт.

P4328746

WASHER

SPACER - bolt, 11 mm thick, used with tube P4050168

4шт.

23

P30490

O-RING,0.139" Thk x 3.859" ID, -241, Cl 5, 75 Duro

- suction tube

1шт.

24

P32955

SCREW

BOLT - hex socket, 16 mm x 40 mm

4шт.

25

P34611

WASHER

SPACER - flat, 10 mm

4шт.

26

P4037597

UNION

ADAPTER ASSEMBLY - straight

1шт.

P5746063

SEAL

- adapter

1шт.

27

P7331966

HOSE

- pump to disconnect, 676 mm (26-5/8 inch) long

1шт.

28

P3237549

UNION

DISCONNECT ASSEMBLY - pressure check

1шт.

P7046042

SEAL

- disconnect

1шт.

29

P4837507

UNION

ADAPTER ASSEMBLY - straight

1шт.

P7046042

SEAL

- adapter

1шт.

30

P3237537

UNION

ADAPTER - straight

2шт.

31

P5137766

SHIN

FLANGE - low pressure pump

1шт.

32

238-6118

O-RING,0.103" Thk x 0.862" ID, -118, Cl 6, 90 Duro

Flange (Replaces O-ring P330430) -118, 90 Duro, .862" ID x .103" Thk

1шт.

33

P32912

SCREW

BOLT - hex socket, 6 mm x 25 mm

4шт.

34

P5931943

HOSE

- leak return, pump to anti-surge valve, 630 mm (24-13/16 inch) long

1шт.

35

P3237544

UNION

ADAPTER - straight

1шт.

36

P5120342

SHIN

CLAMP - hoses to frame (Replaces clamp P4820394)

2шт.

37

P33832

SCREW

BOLT - hex, 10 mm x 110 mm

2шт.

Выбрано товаров: 42