Запчасти Case 888 (1-18) - PICTORIAL INDEX, ENGINE COMPARTMENT HYDRAULIC CIRCUIT (00) - PICTORIAL INDEX

Схема запчастей Case 888 - (1-18) - PICTORIAL INDEX, ENGINE COMPARTMENT HYDRAULIC CIRCUIT (00) - PICTORIAL INDEX
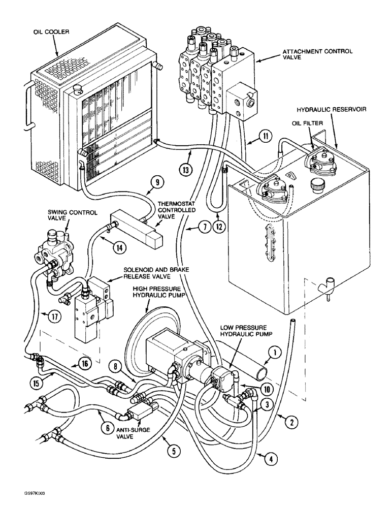
11
17
5
4
14
13
7
8
2
10
3
15
1
6
9
16
12
FIT
1:1
100%

Артикул

Название

Примечание

Количество

1

Charge Suction Line (Page 8B-13)

1шт.

2

Low Pressure Pump Suction Hose (Page 8B-21)

1шт.

3

Hose - pump to check point (Page 8B-13)

1шт.

4

Hose - pump to leak return valve (Page 8B-13)

1шт.

5

Hose - leak return pump to tee (Page 8B-13)

1шт.

6

Hose - leak return valve to tee (Page 8B-13)

1шт.

7

Hose - pressure pump to attachment control valve (Page 8B-7)

1шт.

8

Hose - pressure pump to swing control valve (Page 8B-13)

1шт.

9

Hose - return optional thermostat-controlled valve to cooler (Page 8B-17)

1шт.

10

Hose - low pressure pump to brake release valve (Page 8B-13)

1шт.

11

Hose - leak return attachment control block to reservoir (Page 8B-7)

1шт.

12

Hose - return attachment control valve to reservoir (Page 8B-7)

1шт.

13

Hose - return cooler to hydraulic reservoir (Page 8B-17)

1шт.

14

Hose - return brake release valve to optional thermostat-controlled valve (Page 8B-17)

1шт.

15

Tube - hose to brake release valve (Page 8C-11)

1шт.

16

Tube - hose to swing control valve (Page 8C-11)

1шт.

17

Hose - tube to swing control valve (Page 8C-11)

1шт.

Выбрано товаров: 17