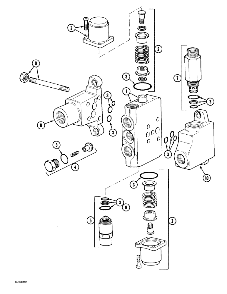
Запчасти Case 888 (8C-54) - SWING CONTROL VALVE, P.I.N. 15486 THRU 15496 (08) - HYDRAULICS

Схема запчастей Case 888 - (8C-54) - SWING CONTROL VALVE, P.I.N. 15486 THRU 15496 (08) - HYDRAULICS
3
10
2
3
7
3
3
3
5
2
3
6
2
8
3
4
9
3
1
FIT
1:1
100%

Артикул

Название

Примечание

Количество

P3843630

ELEMENT

VALVE ASSEMBLY - swing control, Includes: Ref. 1 - 10

1шт.

1

NSS

NOT SOLD SEPARAT

BODY - valve, swing control, order valve assembly

1шт.

2

P5949629

SPARE PART SET

KIT - valve spool

1шт.

3

P5949632

SEAL PACKAGE

KIT - seal

1шт.

4

P5949628

SET OF PARTS

VALVE - load check

1шт.

5

P3843615

CARTRIDGE

- valve

2шт.

6

P5949620

SEAL PACKAGE

KIT - seal, repair

1шт.

7

P4837555

FITTING

VALVE - relief, includes seals

1шт.

8

P3843813

ELEMENT - valve

1шт.

9

P2644913

TRUSS ROD

STUD - threaded, includes nut

1шт.

10

P3843629

ELEMENT

- valve

1шт.

Выбрано товаров: 11