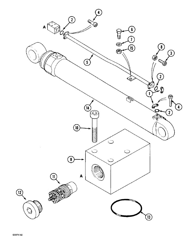
Запчасти Case 888 (8G-08) - ARM CYLINDER CIRCUIT, TUBES AT CYLINDER (08) - HYDRAULICS

Схема запчастей Case 888 - (8G-08) - ARM CYLINDER CIRCUIT, TUBES AT CYLINDER (08) - HYDRAULICS
6
12
2
8
5
15
1
13
4
3
11
4
7
14
9
2
2
10
FIT
1:1
100%

Артикул

Название

Примечание

Количество

1

P4024266

CLAMP

FLANGE - split, hose

4шт.

2

P1130483

O-RING

- tube and hose flange

4шт.

3

P32937

SCREW

BOLT - hex socket, 10 mm x 50 mm

4шт.

4

14420331

HEX SOC SCREW,M10 x 1.5 x 35mm, Cl 10.9, Full Thd

8шт.

5

P8747629

PIPE

TUBE - to rod end of arm cylinder

1шт.

6

P933839

SCREW

BOLT - hex, 10 mm x 35 mm

1шт.

7

P3528795

WASHER

SPACER - bolt, 7 mm thick

1шт.

8

86500689

NUT,M10 x 1.5, Cl 10

5шт.

P4343388

SHIN

BLOCK ASSEMBLY - restrictor, Includes: Ref. 9 - 15

1шт.

9

NSS

NOT SOLD SEPARAT

BLOCK - restrictor, order block assembly P4343388

1шт.

10

P632925

SCREW

BOLT - hex socket, 10 mm x 70 mm

4шт.

11

P4343386

LIMITER, TRAVEL

RESTRICTOR - hydraulic

1шт.

12

P2537429

PLUG

ASSEMBLY - restrictor block

1шт.

P5746063

SEAL

- plug

1шт.

13

P1130483

O-RING

- block

1шт.

14

P8546740

CYLINDER ASSY.

CYLINDER ASSEMBLY - arm, parts list Fig. 8G-22

1шт.

15

P34598

SAFETY NUT

NUT - hex, 10 mm

1шт.

Выбрано товаров: 17