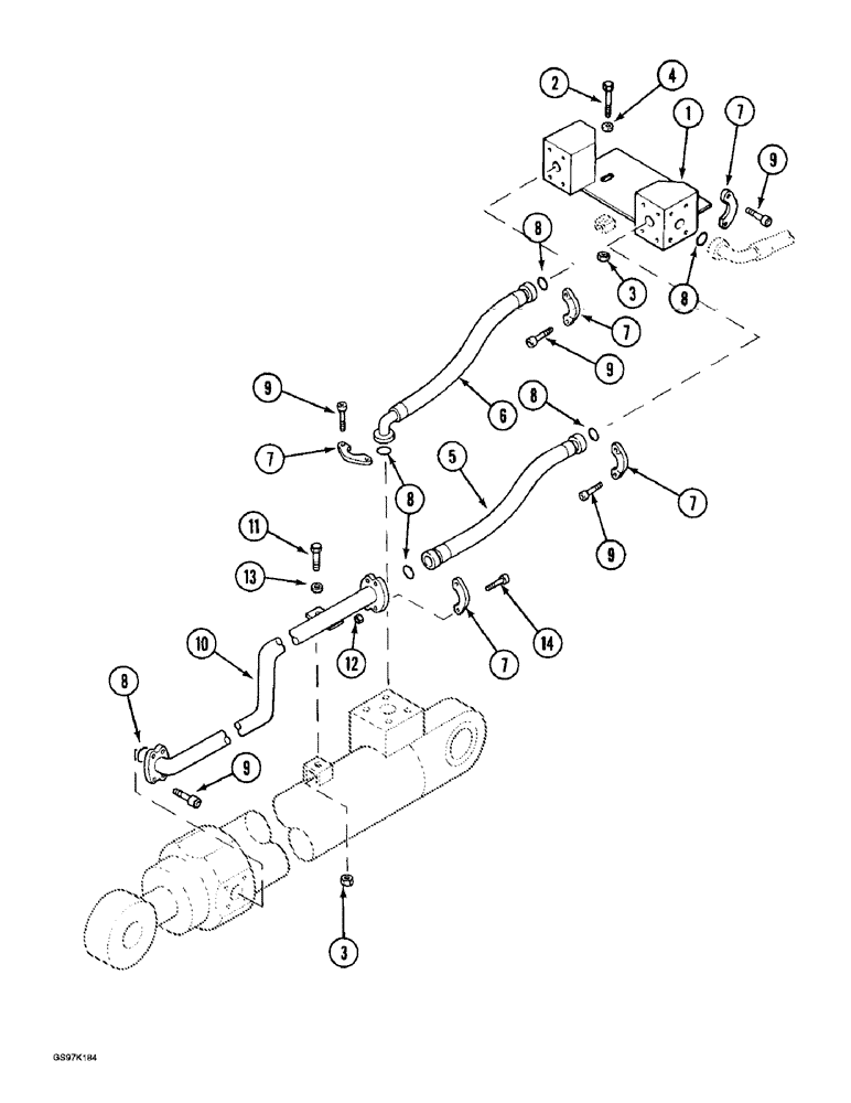
Запчасти Case 888 (8G-12) - TOOL CYLINDER CIRCUIT, TUBES AT ARM, P.I.N. 15401 THRU 15642, P.I.N. 106801 AND AFTER (08) - HYDRAULICS

Схема запчастей Case 888 - (8G-12) - TOOL CYLINDER CIRCUIT, TUBES AT ARM, P.I.N. 15401 THRU 15642, P.I.N. 106801 AND AFTER (08) - HYDRAULICS
8
3
2
5
8
1
7
10
13
12
7
9
8
14
9
7
8
3
4
7
9
9
8
9
7
11
6
FIT
1:1
100%

Артикул

Название

Примечание

Количество

1

P5328271

ELEC SUPPORT PLATE

BLOCK - manifold, hose flange

1шт.

2

P933839

SCREW

BOLT - hex, 10 mm x 35 mm

3шт.

3

P34598

SAFETY NUT

NUT - hex, self-locking, 10 mm

3шт.

4

P4328796

WASHER

SPACER - bolt, 7 mm thick

3шт.

5

P5431993

HOSE

- to rod end of arm cylinder, 2.1 meter arm, 800 mm (31-1/2 inch) long

1шт.

5

P5931952

HOSE

- to rod end of arm cylinder, 2.7 meter arm, 1000 mm (39-3/8 inch) long

1шт.

6

P5931991

HOSE

- to base end of arm cylinder, 2.1 meter arm, 630 mm (24-13/16 inch) long

1шт.

6

P5431935

HOSE

- to base end of arm cylinder, 2.7 meter arm, 800 mm (31-1/2 inch) long

1шт.

7

P4024266

CLAMP

FLANGE - split, hose

8шт.

8

P1130483

O-RING

- tube and hose flange

4шт.

9

14420331

HEX SOC SCREW,M10 x 1.5 x 35mm, Cl 10.9, Full Thd

16шт.

10

P8747628

PIPE

TUBE - to rod end point at cylinder

1шт.

11

P933839

SCREW

BOLT - hex, 10 mm x 35 mm, full thread

1шт.

12

86500689

NUT,M10 x 1.5, Cl 10

4шт.

13

P3528795

WASHER

SPACER - bolt, 7 mm thick

1шт.

14

P32937

SCREW

BOLT - hex socket, 10 mm x 50 mm

4шт.

Выбрано товаров: 16