Запчасти Case 888 (8H-06) - CYLINDER LUBRICATION LINES, TUBES AT BOOM (08) - HYDRAULICS

Схема запчастей Case 888 - (8H-06) - CYLINDER LUBRICATION LINES, TUBES AT BOOM (08) - HYDRAULICS
13
7
13
2
10
16
5
12
1
10
7
8
9
15
12
4
6
11
3
2
10
13
7
14
12
FIT
1:1
100%

Артикул

Название

Примечание

Количество

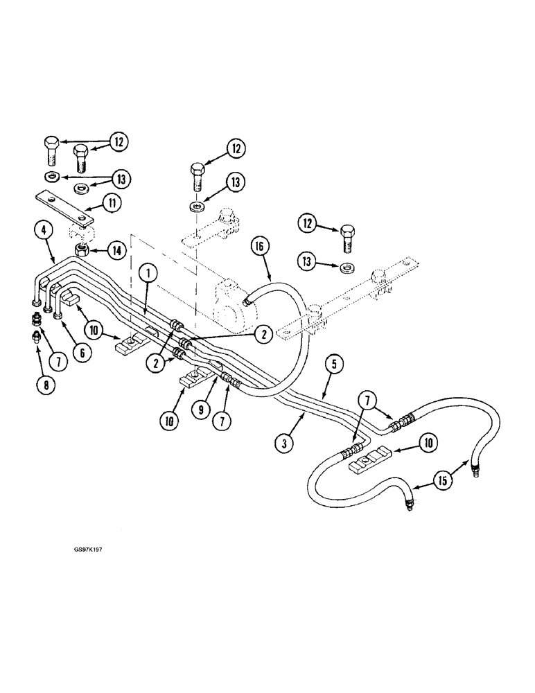
1

P6149010

PIPE

TUBE - lubrication, rod end of left-hand boom cylinder, front section

1шт.

2

P3237534

UNION

ADAPTER - straight

3шт.

3

P6249194

PIPE

TUBE - lubrication, rod end of left-hand boom cylinder, rear section

1шт.

4

P6149012

PIPE

TUBE - lubrication, rod end of right-hand boom cylinder, front section

1шт.

5

P6249193

PIPE

TUBE - lubrication, rod end of right-hand cylinder, rear section

1шт.

6

P6149011

PIPE

TUBE - lubrication, base end of arm cylinder

1шт.

7

P3237597

FITTING

ADAPTER - lubrication tube to grease fittings and hoses

6шт.

8

933781R1

LUBE NIPPLE,M10 x 1

NIPPLE, LUBE, M10 x 1

3шт.

9

P8147614

PIPE

TUBE - lubrication, base end of arm cylinder, small

1шт.

10

P4620363

SHIN

CLAMP - tube, for three tubes

4шт.

11

P3723103

SUPPORT

BRACKET - mounting, tube clamp (Replaces bracket P3523101)

2шт.

12

P933839

SCREW

BOLT - hex, 10 mm x 35 mm

6шт.

13

P3528795

WASHER

SPACER - bolt, 7 mm thick

6шт.

14

P34598

SAFETY NUT

NUT - hex, self-locking, 10 mm

2шт.

15

P5931961

HOSE

- tubes to boom cylinders, 700 mm (27-9/16 inch) long

2шт.

16

P31983

HOSE

- tubes to arm cylinder, 502 mm (19-3/4 inch) long

1шт.

Выбрано товаров: 16