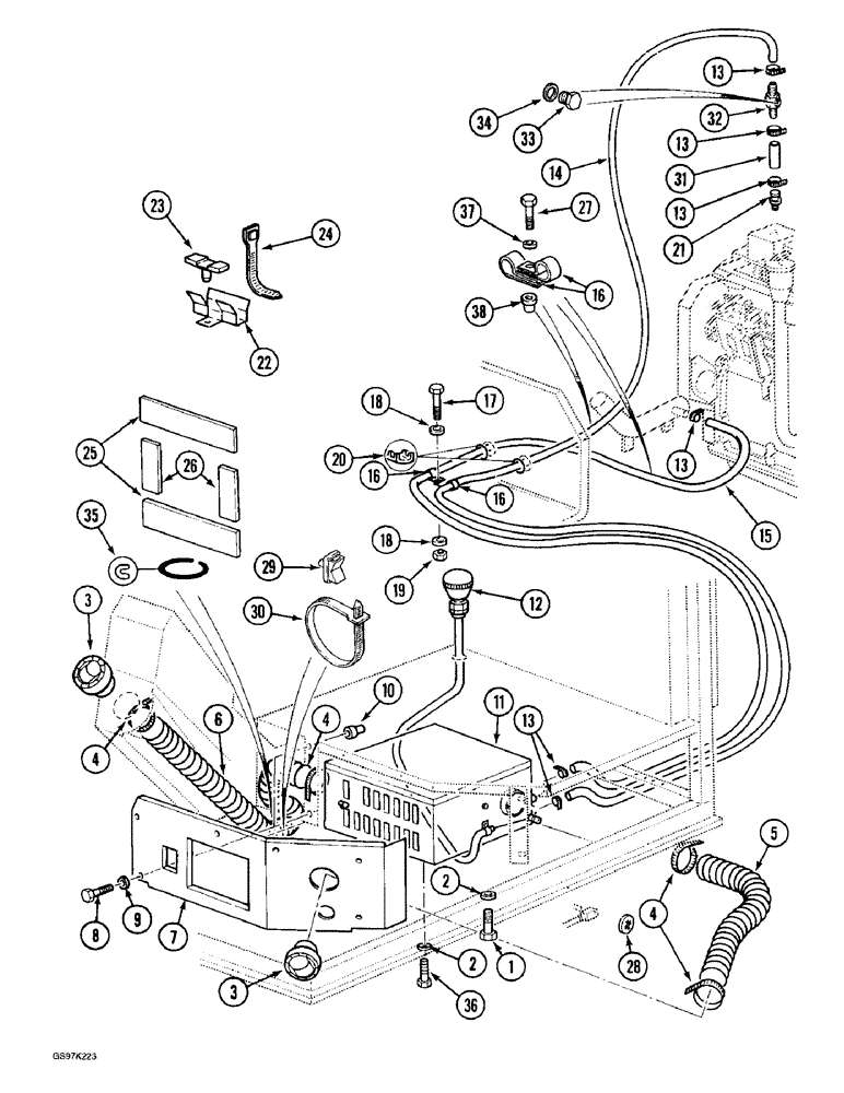
Запчасти Case 888 (9D-24) - ADAPTING PARTS AND HEATER LINES (09) - CHASSIS

Схема запчастей Case 888 - (9D-24) - ADAPTING PARTS AND HEATER LINES (09) - CHASSIS
3
35
10
27
33
16
15
8
17
19
18
16
25
4
12
30
28
3
4
16
2
31
5
11
18
23
22
13
13
7
6
21
37
38
9
14
13
24
20
13
26
29
32
2
13
36
1
34
4
FIT
1:1
100%

Артикул

Название

Примечание

Количество

1

P733035

SCREW

BOLT - hex, 6 mm x 35 mm

3шт.

2

P3528799

WASHER

SPACER - bolt, 4 mm thick

4шт.

3

P3543238

DIFFUSER

- air

2шт.

4

P136922

CLAMP

STRAP - tie, heater hose, 351 mm (13-13/16 inch) long

4шт.

5

P5931942

LOOM

HOSE - heater to lower diffuser

1шт.

6

P5931910

LOOM

HOSE - heater to windhield diffuser

1шт.

7

P3126320

HOOD

PANEL - heater and lower diffuser

1шт.

8

43127

BOLT,Hex, M8 x 1.25 x 25mm, Cl 8.8

BOLT, Hex, M8 x 25, 8.8

6шт.

9

P3528794

WASHER

SPACER - bolt, 6 mm thick

6шт.

10

P234587

NUT

RETAINER - bolt, at operator compartment

6шт.

11

P1941806

HEATER ASSY.

HEATER ASSEMBLY - cab, parts list Fig. 4-28

1шт.

12

P4831326

CONTROL SLIDE

CABLE - heater control

1шт.

13

P3036994

CLAMP

- heater hose to engine and heater

6шт.

14

REF

INSTRUCTION

HOSE - heater to adapter, 4250 mm (167-5/16 inch) long, cut from bulk hose P3636 below

1шт.

15

REF

INSTRUCTION

HOSE - heater to engine, 3600 mm (141-3/4 inch) long, cut from bulk hose P3636 below

1шт.

16

P836985

CLAMP

- heater, Serial Range: hose-frame

6шт.

17

P833802

SCREW

BOLT - hex, 10 mm x 50 mm

1шт.

18

P3528795

WASHER

SPACER - bolt, 7 mm thick

2шт.

19

P34598

SAFETY NUT

NUT - hex, self-locking, 10 mm

1шт.

20

REF

INSTRUCTION

GUARD - edge, hose, 114 mm (4-1/2 inch) long, cut from bulk edging P1303161 below

2шт.

21

P4837543

FITTING

ADAPTER - hose barb, heater, Serial Range: hose-engine

1шт.

22

P2036902

CLASP

CLIP - retainer, 3 - 7 mm (1/8 - 1/4 inch) range

2шт.

23

P2036939

CLASP

RETAINER - tie strap

3шт.

24

P51946

CLAMP

STRAP - tie, hoses to retainer and hoses, 257 mm (10-1/8 inch) long

13шт.

25

REF

INSTRUCTION

SEAL - panel, 381 mm (15 inch) long, cut from bulk seal P403145 below

2шт.

26

REF

INSTRUCTION

SEAL - panel, 143 mm (5-5/8 inch) long, cut from bulk seal P403145

2шт.

27

P933890

SCREW

BOLT - hex, 10 mm x 30 mm, if used

2шт.

27

43127

BOLT,Hex, M8 x 1.25 x 25mm, Cl 8.8

BOLT, , If Used Hex, M8 x 25, 8.8

2шт.

28

P936355

RING

- snap, heater control cab

1шт.

29

P3036926

BASE

RETAINER - hose strap

1шт.

30

P136922

CLAMP

STRAP - tie, hose, 351 mm (13-13/16 inch) long

1шт.

31

REF

INSTRUCTION

HOSE - adapter to engine, 250 mm (9-27/32 inch) long, cut from bulk hose P3636 below

1шт.

32

P1237245

FITTING

ADAPTER ASSEMBLY - bleed valve (Replaces adapter P1237246)

1шт.

33

P433813

SCREW

PLUG - adapter

1шт.

34

P5346094

SEAL

- plug

1шт.

35

REF

INSTRUCTION

SEAL - 305 mm (12 inch) long, cut from bulk seal P303112 below

1шт.

36

P433829

SCREW

BOLT - hex, 6 mm x 60 mm

1шт.

37

P3528795

WASHER

SPACER - bolt, 7 mm thick, if used

2шт.

37

P35002

WASHER

- flat, 8 mm, if used

2шт.

38

P34598

SAFETY NUT

NUT - hex, self-locking, 10 mm, if used

2шт.

38

P234587

NUT

RETAINER - bolt, sleeve type, 8 mm, if used

2шт.

P3636

HOSE, BULK

HOSE - bulk, sold by the meter

1шт.

P1303161

GROMMET

EDGE - bulk, sold by the meter

1шт.

P403145

SEAL

- bulk, sold by the meter

1шт.

P303112

SEAL

- bulk, sold by the meter

1шт.

Выбрано товаров: 0