Запчасти Case 888 (2-24) - ETHER START (02) - ENGINE

Схема запчастей Case 888 - (2-24) - ETHER START (02) - ENGINE
22
6
23
1
4
11
12
3
13
8
20
9
5
16
3
14
17
19
10
7
18
21
15
2
FIT
1:1
100%

Артикул

Название

Примечание

Количество

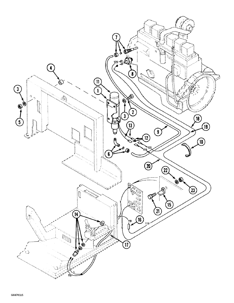
1

A172516

VALVE

SOLENOID - ether start

1шт.

2

814-6045

BOLT,Hex, M6 x 1 x 45mm, Cl 8.8

(Replaces bolt P133808) Hex, M6 x 45, 8.8

3шт.

3

P3528799

WASHER

SPACER - bolt, 4 mm thick

6шт.

4

P4328730

WASHER

SPACER - bolt, 20 mm thick

3шт.

5

P234513

SAFETY NUT

NUT - hex, self-locking, 6 mm

3шт.

6

222-615

ELBOW,90 Degree, 5/16"-24 x 1/8" NPT, Comp

1шт.

7

A189154

JET

NOZZLE - atomizer

1шт.

8

A172117

SWITCH

SENDER - temperature

1шт.

9

REF

INSTRUCTION

TUBE - ether, 2502 mm (98-1/2 inch) long, cut from bulk tubing P3693 below

1шт.

10

P51946

CLAMP

STRAP - tie, tube, 257 mm (10-1/8 inch) long

1шт.

11

A171940

CYLINDER

CONTAINER - ether starting, purchse locally

1шт.

12

P640934

END FITTING

COVER - wire clip

2шт.

13

P440901

CONNECTOR,ELECTRIC

TERMINAL - male

2шт.

14

D90961

SWITCH

- pusher

1шт.

15

P640965

CONNECTION

CLIP - wire, male

1шт.

16

P40941

CONNECTION,ELECTRIC

CLIP - wire, retainer

1шт.

17

P1352235

CABLE

WIRE - switch to circuit board

1шт.

18

P352258

CABLE

WIRE - circuit, Serial Range: board-sender

1шт.

19

P352259

CABLE

WIRE -, Serial Range: sender-solenoid

1шт.

20

P352260

CABLE

WIRE - solenoid to circuit board

1шт.

21

P32538

SCREW

- slotted, 5 mm x 16 mm

1шт.

22

P4328718

WASHER

SPACER - screw, 3.5 mm thick

1шт.

23

P34108

NUT

- hex, 5 mm

1шт.

P245231

COPPER SEAL

SEAL - ether start

1шт.

P45298

WASHER, SEALING

SEAL - copper

2шт.

P3693

LARGE HOSE

TUBE - bulk, sold by the meter

1шт.

Выбрано товаров: 26