Запчасти Case 888 (4-20) - CAB ELECTRICAL COMPONENTS (04) - ELECTRICAL SYSTEMS

Схема запчастей Case 888 - (4-20) - CAB ELECTRICAL COMPONENTS (04) - ELECTRICAL SYSTEMS
16
20
31
22
2
35
27
23
26
12
32
13
29
7
17
15
3
4
24
5
30
33
8
21
18
1
6
14
10
9
34
25
11
28
36
19
29
FIT
1:1
100%

Артикул

Название

Примечание

Количество

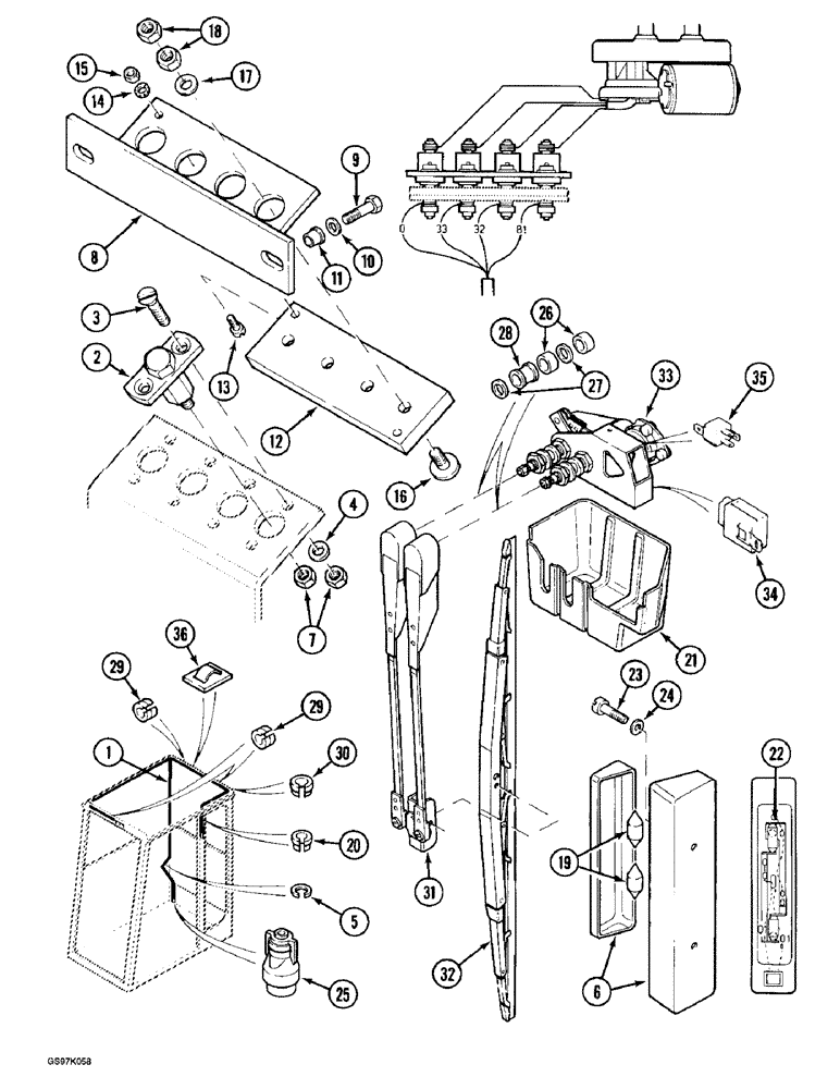
1

P1652220

HARNESS

- cab wiring

1шт.

2

P41676

IGNITION SWITCH

SWITCH - terminal, wiper motor

4шт.

3

P32427

SCREW

- terminal to bracket, 4 mm x 10 mm

8шт.

4

P34703

WASHER

- lock, 4 mm

8шт.

5

P141458

GROMMET

GUARD - edge, harness

1шт.

6

P841718

COURTESY LIGHT

LAMP - cab, includes cover

1шт.

7

P34107

NUT - hex, 4 mm

1шт.

8

P7628277

SUPPORT

BRACKET - mounting, insulator and contact button

1шт.

9

86977786

BOLT,Hex, M6 x 1 x 25mm, Cl 8.8

Hex, M6 x 25, 8.8, Full Thd, Bracket to cab

2шт.

10

P3528799

WASHER

SPACER - bolt, 4 mm

2шт.

11

P834513

NUT

RETAINER - bolt, sleeve type, 6 mm

2шт.

12

P4441435

RUBBER INSULATOR

INSULATOR - contact, Serial Range: button-bracket

1шт.

13

P32506

SCREW

- insulator to bracket, 3 mm x 12 mm

2шт.

14

P34803

WASHER

- lock

2шт.

15

86508812

NUT,M3, Cl 8

2шт.

16

P1033082

SCREW

BUTTON - electrical contact

4шт.

17

P34706

WASHER

- lock, 5 mm

4шт.

18

P34108

NUT

- hex, 5 mm

8шт.

19

P40565

LAMP

BULB - cab lamp

2шт.

20

P3141475

HALF-BUSHING

GROMMET - rubber, 16 mm (5/8 inch) diameter

1шт.

21

P2125335

HOUSING

COVER - wiper motor

1шт.

22

P6747257

ELECTRICAL WIRE

WIRE - lamp, upper

1шт.

23

P32529

SCREW,Hex Soc Hd, M4 x 16

- lamp to cab, 4 mm x 16 mm

2шт.

24

P4328717

WASHER

SPACER - lamp screw, 3 mm

2шт.

25

P40746

CONNECTOR,ELECTRIC

PLUG - cab harness, seven-way

1шт.

26

P1128594

WASHER

SPACER - motor shaft, long

4шт.

27

P1446361

WASHER

SPACER - motor shaft, short

4шт.

28

P2541402

GROMMET

BUSHING - motor shaft

2шт.

29

P41447

GROMMET

- rubber, Serial Range: harness-cab

3шт.

30

P3141476

HALF-BUSHING

GROMMET - rubber, 20 mm (51/64 inch) diameter

1шт.

31

P4143211

WIPER ARM

ARM - wiper

1шт.

32

P4143212

WIPER BLADE

WIPER - windshield

1шт.

33

P1941861

WIPER MOTOR

MOTOR - wiper

1шт.

34

P1941862

CASE

TIME-DELAY - motor

1шт.

35

P1941863

RELAY

- motor

1шт.

36

P1241413

CLIP,ELECTRICAL

CLIP -, Serial Range: harness-cab

2шт.

Выбрано товаров: 0