Запчасти Case 888 (4-26) - CAB HEATER, SCHNEEBELI-CHABAUD (04) - ELECTRICAL SYSTEMS

Схема запчастей Case 888 - (4-26) - CAB HEATER, SCHNEEBELI-CHABAUD (04) - ELECTRICAL SYSTEMS
1
8
3
5
2
8
8
6
1
5
7
8
4
FIT
1:1
100%

Артикул

Название

Примечание

Количество

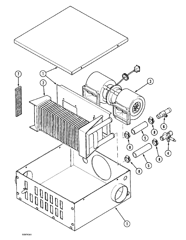
P1941849

HEATER ASSY.

HEATER ASSEMBLY - cab, no longer available, order heater assembly P1941806, parts list Fig. 4-28, Includes: Ref. 1 - 8

1шт.

1

NSS

NOT SOLD SEPARAT

HOUSING - heater, order heater assembly P1941849

1шт.

2

P3743299

RADIATOR

CORE - heater

1шт.

3

P1941818

VENTILATOR

BLOWER - air, cab

1шт.

4

P837866

COCK

VALVE - heater control

1шт.

5

REF

INSTRUCTION

HOSE - heater core, 95 mm (3-3/4 inch) long, cut from bulk hose P3636 below

2шт.

6

P4837548

FITTING

PURGEUR - raccord, heater control

1шт.

7

REF

INSTRUCTION

SEAL - core, 156 mm (6-1/8 inch) long, cut from bulk hose P3127 below

1шт.

8

P3036994

CLAMP

- heater core hose

4шт.

P3636

HOSE, BULK

HOSE - bulk, sold by the meter

1шт.

P3127

SEAL

HOSE - bulk, sold by the meter

1шт.

Выбрано товаров: 11