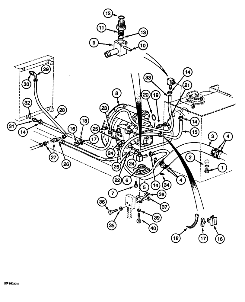
Запчасти Case 688 (8-018) - HYDRAULIC PUMP LINES, PRESSURE AND COOLER RETURN LINES (08) - HYDRAULICS

Схема запчастей Case 688 - (8-018) - HYDRAULIC PUMP LINES, PRESSURE AND COOLER RETURN LINES (08) - HYDRAULICS
4
3
14
14
4
2
19
36
6
5
28
23
22
15
7
8
14
20
40
11
31
16
17
9
27
26
29
18
1
24
24
16
13
25
18
33
25
32
14
38
17
37
21
10
30
35
12
39
14
FIT
1:1
100%

Артикул

Название

Примечание

Количество

1

P2537429

PLUG

- reservoir drain, Includes: Ref. 2

1шт.

2

P5746063

SEAL

- drain plug

1шт.

3

P131988

LARGE HOSE

HOSE - suctio, reservoir to tube at pump

1шт.

4

P136902

COLLAR CLAMP

CLAMP - suction hose

4шт.

5

P3450101

MANIFOLD

TUBE AND PLATE - suction, at pump

1шт.

6

P930454

O-RING,0.139" Thk x 2.859" ID, -233, Cl 5, 75 Duro

- suction tube

1шт.

7

P32941

SCREW

BOLT - hex socket head, 12 mm x 25 mm

2шт.

8

REF

INSTRUCTION

PUMP ASSEMBLY - main hydraulic, see Figures 8-14, Includes: Ref. 9 - 13

1шт.

9

P5137721

BODY

- adapter

1шт.

10

P35725

SPLIT PIN/SAFETY PIN

ROLL PIN - adapter body

2шт.

11

P4037541

LARGE PIN

ADAPTER - straight

1шт.

12

P5746063

SEAL

- adapter

1шт.

13

P430411

O-RING

- adapter

1шт.

14

P36998

COLLAR CLAMP

CLAMP - hose

4шт.

15

REF

INSTRUCTION

HOSE - return, pump to reservoir, 49-1/4" long, cut from P1103635

1шт.

16

P2036902

CLASP

CLIP - retainer

2шт.

17

P2036939

CLASP

RETAINER - tie strap

2шт.

18

P51946

CLAMP

TIE STRAP - hose, 10-1/8" long

2шт.

19

P3237533

UNION

ADAPTER - straight, Includes: Ref. 20

1шт.

20

P1145268

SEAL

- adapter

1шт.

21

P5431962

HOSE

- 55-1/8" long, Serial Range: return-tee

1шт.

22

P1536969

CLAMP

- hose, small

1шт.

23

P51959

CLAMP

- hose, large

1шт.

24

P833802

SCREW

BOLT - hex head, 10 mm x 50 mm

2шт.

25

P4328796

WASHER

SPACER - bolt, 7 mm thick

4шт.

26

P937297

TEE

- return, to oil cooler

1шт.

27

P3237570

UNION

ADAPTER - bulkhead type, includes hex nut

1шт.

28

P6531958

HOSE

- 31-1/2" long, return, at oil cooler

1шт.

29

P1737021

ANGLE

ELBOW - 90 degree

1шт.

30

P4037597

UNION

ADAPTER - straight

1шт.

31

P3237582

FITTING

ADAPTER - straight, barb hose type

1шт.

32

P5746063

SEAL

- adapter

1шт.

33

REF

INSTRUCTION

HOSE - cooler return, 78-3/4" long, cut from P1103635

1шт.

34

P136922

CLAMP

TIE STRAP - hose, 13-7/8" long

1шт.

35

P3528799

WASHER

SPACER - bolt, 4 mm thick

2шт.

36

P733038

SCREW

BOLT - hex head, 6 mm x 40 mm

2шт.

37

P234513

SAFETY NUT

NUT - hex, self-locking, 6 mm

2шт.

38

P5125686

SUPPORT

BRACKET - mounting valve

1шт.

39

P4328797

WASHER

SPACER - bolt, 8 mm thick

2шт.

40

P1332910

SCREW

BOLT - hex socket head, 12 mm x 35 mm, grade 10.9

2шт.

Выбрано товаров: 40