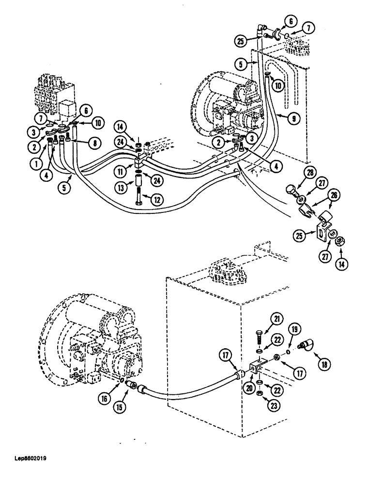
Запчасти Case 688 (8-028) - HYDRAULIC PUMP LINES, PUMP TO ATTACHMENT CONTROL VALVE (08) - HYDRAULICS

Схема запчастей Case 688 - (8-028) - HYDRAULIC PUMP LINES, PUMP TO ATTACHMENT CONTROL VALVE (08) - HYDRAULICS
6
2
9
21
26
8
11
23
12
13
6
16
3
17
7
7
22
28
14
2
18
25
20
10
22
25
27
1
14
27
3
24
16
19
4
5
17
14
5
4
10
FIT
1:1
100%

Артикул

Название

Примечание

Количество

1

P5431976

HOSE

- 55-1/8" long, pressure, pump to attachment control valve

1шт.

2

P4024267

SHIN

SPLIT FLANGE - hose

4шт.

3

P330421

O-RING,0.139" Thk x 1.296" ID, -219, Cl 6, 90 Duro

- tube flange

2шт.

4

J532918

SCREW,Hex Skt, M12 x 40mm, Cl 10.9

8шт.

5

P6631953

HOSE

- 88-1/4" long, return, attachment control, Serial Range: valve-reservoir

1шт.

6

P4024272

BRACKET

SPLIT flange - hose

4шт.

7

P330421

O-RING,0.139" Thk x 1.296" ID, -219, Cl 6, 90 Duro

- tube flange

2шт.

8

P732911

SCREW

BOLT - hex socket head, 10 mm x 30 mm, grade 10.9

8шт.

9

REF

INSTRUCTION

HOSE - leak return, 88-1/4" long, cut from P1103635

1шт.

10

P36998

COLLAR CLAMP

CLAMP - hose

2шт.

11

P4620335

SHIN

CLAMP -, Serial Range: hoses-frame

2шт.

12

P1133858

SCREW

BOLT - hex head, 10 mm x 140 mm

2шт.

13

P1231875

TUBE

SPACER - bolt, 2-3/8" long

2шт.

14

P34598

SAFETY NUT

NUT - hex, self-locking, 10 mm

3шт.

15

P4037580

UNION

ADAPTER - straight, long, Includes: Ref. 16

1шт.

16

P7046042

SEAL

- adapter

1шт.

17

P6631952

HOSE

- 23-15/16" long, Serial Range: pump-disconnect

1шт.

18

P3237549

UNION

DISCONNECT ASSEMBLY - pressure check

1шт.

19

P7046042

SEAL

- adapter

1шт.

20

P5125643

PLATE

BRACKET - mounting, disconnect and hose

1шт.

21

P33866

SCREW

BOLT - hex head, 20 mm x 75 mm

1шт.

22

P4328747

WASHER

SPACER - bolt, 14 mm thick

2шт.

23

P134564

SAFETY NUT

NUT - hex, self-locking, 20 mm

1шт.

24

P3528795

WASHER

SPACER - bolt, 7 mm thick

2шт.

25

P3226157

SUPPORT

- hose, Serial Range: clamp-frame

1шт.

26

P51959

CLAMP

- hose, large

2шт.

27

P4328796

WASHER

SPACER - bolt, 7 mm thick

2шт.

28

P933818

SCREW

BOLT - hex, 10 mm x 40 mm

1шт.

Выбрано товаров: 28