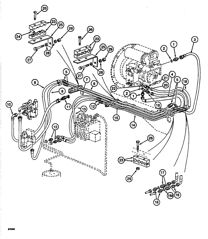
Запчасти Case 688 (8-030) - HYDRAULIC PUMP LINES, PUMP TO SWING VALVE, SOLENOID VALVE AND SWIVEL (08) - HYDRAULICS

Схема запчастей Case 688 - (8-030) - HYDRAULIC PUMP LINES, PUMP TO SWING VALVE, SOLENOID VALVE AND SWIVEL (08) - HYDRAULICS
29
1
24
10
28
29
29
26
5
14
16a
27
13
18
7
4
27
5
1
2
15
23
16
19
21
28
8
17
16a
23
3
26
23
2
26
11
20
25
12
9
22
12
6
25
FIT
1:1
100%

Артикул

Название

Примечание

Количество

1

P3237533

UNION

ADAPTER - striaght, Includes: Ref. 2

2шт.

2

P1145268

SEAL

- adapter

1шт.

4

P5431967

HOSE

- 24-13/16" long, pressure, pump to swing control valve

1шт.

5

P3237537

UNION

ADAPTER - straight

4шт.

6

P6549171

PIPE

TUBE - pressure, solenoid valve

1шт.

7

P6549172

PIPE

TUBE - pressure, to swing control valve

1шт.

8

P6531978

HOSE

- 19-11/16" long, pressure, to solenoid valve

1шт.

9

P6631954

HOSE

- 39-3/8" long, pressure, to swing control valve

1шт.

10

P5431966

HOSE

- 39-3/8" long, return, swing control, Serial Range: valve-tee

1шт.

11

REF

INSTRUCTION

ADAPTER - bulkhead type, hose to cooler return tee, see Figures 8-16 & 8-190

1шт.

12

P3237534

UNION

ADAPTER - straight

4шт.

13

P6531928

HOSE

- 19-11/16" long, leak return

2шт.

14

P6149079

PIPE

TUBE - leak return, outer

1шт.

15

P6549170

PIPE

TUBE - leak return, inner

1шт.

16

P3237530

UNION

ADAPTER - straight, Includes: Ref. 16A

1шт.

16a

P7046042

SEAL

- adapter

1шт.

17

REF

INSTRUCTION

FILTER ASSEMBLY - leak return, see Figure 8-296

2шт.

18

P6531928

HOSE

- 19-11/16" long, leak, Serial Range: return-pump

2шт.

19

P4037544

UNION

ADAPTER - straight, Includes: Ref. 20

1шт.

20

P7046042

SEAL

- adapter

1шт.

21

P4037568

VALVE POPPET

CHECK VALVE ASSEMBLY - return line, Includes: Ref. 22

1шт.

22

P7046042

SEAL

- adapter

1шт.

23

P4620368

SHIN

CLAMP - tube

6шт.

24

P1231887

PIPE

SPACER - tube clamp

1шт.

25

P4825654

SUPPORT

BRACKET - clamp support

2шт.

26

P933883

SCREW

BOLT - hex head, 10 mm x 55 mm

6шт.

27

P933835

SCREW

BOLT - hex head, 10 mm x 70 mm

2шт.

28

P3528795

WASHER

SPACER - bolt, 7 mm thick

4шт.

29

P34598

SAFETY NUT

NUT - hex, self-locking

6шт.

Выбрано товаров: 29