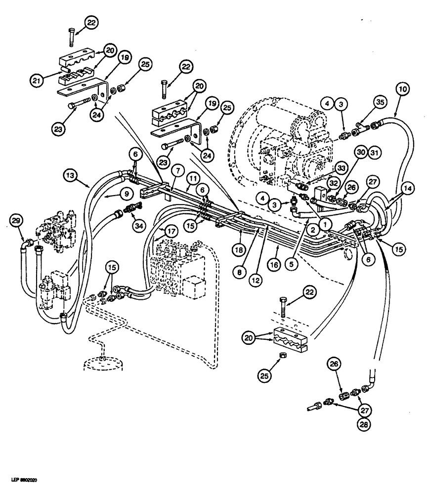
Запчасти Case 688 (8-032) - HYDRAULIC PUMP LINES, PUMP TO SWING VALVE, SOLENOID VALVE AND SWIVEL (08) - HYDRAULICS

Схема запчастей Case 688 - (8-032) - HYDRAULIC PUMP LINES, PUMP TO SWING VALVE, SOLENOID VALVE AND SWIVEL (08) - HYDRAULICS
1
33
25
9
15
4
22
26
19
14
19
35
6
27
23
22
28
4
11
20
24
13
10
12
24
26
31
15
6
7
29
23
30
27
6
17
20
15
3
16
18
21
3
5
25
20
25
34
32
22
2
8
FIT
1:1
100%

Артикул

Название

Примечание

Количество

1

P4037544

UNION

ADAPTER - straight, Includes: Ref. 2

1шт.

2

P7046042

SEAL

- adapter

1шт.

3

P3237533

UNION

ADAPTER - straight, Includes: Ref. 4

2шт.

4

P1145268

SEAL

- adapter

1шт.

5

P5431967

HOSE

- 24-13/16" long, pressure, pump to swing control valve

1шт.

6

P3237537

UNION

ADAPTER - straight

6шт.

7

P4137680

PIPE

TUBE - pressure, to swing control valve

1шт.

8

P7049187

PIPE

TUBE - pressure, to swing control valve

1шт.

9

P6631954

HOSE

- 39-3/8" long, pressure, to swing control valve

1шт.

10

P6531958

HOSE

- 31-1/2" long, pressure, pump to solenoid valve

1шт.

11

P4137680

PIPE

TUBE - pressure, to solenoid valve

1шт.

12

P7049188

PIPE

TUBE - pressure, to solenoid valve

1шт.

13

P6531978

HOSE

- 19-11/16" long, pressure, to solenoid valve

1шт.

14

P6531928

HOSE

- 19-11/16" long, leak, Serial Range: return-pump

2шт.

15

P3237534

UNION

ADAPTER - straight

5шт.

16

P6449034

PIPE

TUBE - leak return, outer (Replaces P6149079)

1шт.

17

P6531928

HOSE

- 19-11/16" long, leak return

2шт.

18

P6449034

PIPE

TUBE - leak return, inner (Replaces P6149079)

1шт.

19

P4825654

SUPPORT

BRACKET - clamp support

2шт.

20

P4620368

SHIN

CLAMP - tube

6шт.

21

P1231887

PIPE

SPACER - tube clamp

1шт.

22

P933833

SCREW

BOLT - hex head, 10 mm x 55 mm

6шт.

23

P933835

SCREW

BOLT - hex head, 10 mm x 70 mm

2шт.

24

P3528795

WASHER

SPACER - bolt, 7 mm thick

4шт.

25

P34598

SAFETY NUT

NUT - hex, self-locking

4шт.

26

REF

INSTRUCTION

FILTER ASSEMBLY - leak return, see Figure 8-36

2шт.

27

P3237530

UNION

ADAPTER - straight, Includes: Ref. 28

1шт.

28

P7046042

SEAL

- adapter

1шт.

29

P5431966

HOSE

- 39-3/8" long, return, swing control, Serial Range: valve-tee

1шт.

30

P4237509

UNION

ADAPTER - straight, Includes: Ref. 31

1шт.

31

P7046042

SEAL

- adapter

1шт.

32

REF

INSTRUCTION

VALVE - leak return, see Figure 8-60

1шт.

33

P3237554

FITTING

ADAPTER - straight

1шт.

34

REF

INSTRUCTION

ADAPTER - bulkhead type, hose to cooler return tee, see Figures 8-16 & 8-18

1шт.

35

REF

INSTRUCTION

TEE - see Figure 8-34 for continuation of circuit, Serial Range: 74417-74485

1шт.

35

REF

INSTRUCTION

TEE - see Figure 8-34 for continuation of circuit, Start Serial: 11501

1шт.

Выбрано товаров: 36