Запчасти Case 688 (8-038) - HIGH PRESSURE HYDRAULIC PUMP (08) - HYDRAULICS

Схема запчастей Case 688 - (8-038) - HIGH PRESSURE HYDRAULIC PUMP (08) - HYDRAULICS
12
8
33
21
29
32
16
22
18
26
3
24
1
6
2
13
15
14
4
7
10
17
4
25
19
23
27
20
28
11
30
31
9
5
FIT
1:1
100%

Артикул

Название

Примечание

Количество

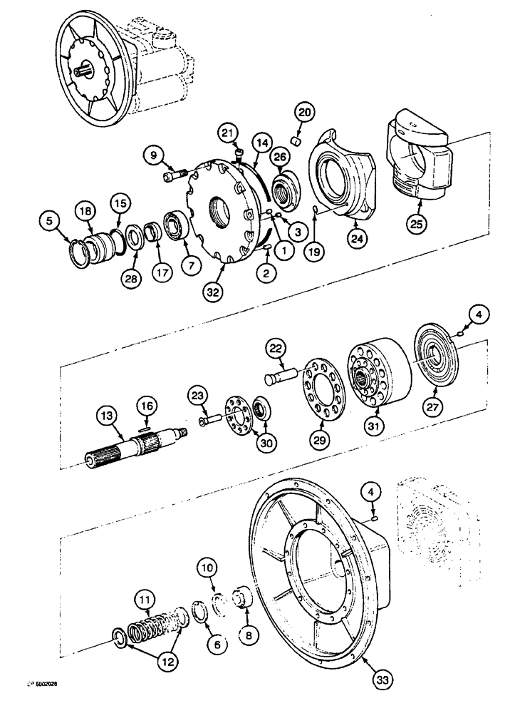
P2843544

PUMP

HYDRAULIC PUMP ASSEMBLY - high pressure

1шт.

1

P36053

SPLIT PIN/SAFETY PIN

PIN -, Serial Range: cover-plate

1шт.

2

P1136002

SPLIT PIN/SAFETY PIN

PIN -, Serial Range: cover-housing

1шт.

3

P36088

SPLIT PIN/SAFETY PIN

PIN -, Serial Range: cover-yoke

1шт.

4

P36089

SPLIT PIN/SAFETY PIN

PIN -, Serial Range: plate-housing

2шт.

5

P36245

CIRCLIP

SNAP RING - bushing

1шт.

6

P536217

RING, SNAP

SNAP RING - retainer

1шт.

7

P539848

BEARING

- output shaft, at front cover

1шт.

8

P539849

BEARING

- output shaft, at housing

1шт.

9

P732994

SCREW

BOLT - hex socket, 10 mm x 50 mm grade 10.9

12шт.

10

P936332

RING, SNAP

SNAP RING - bearing

1шт.

11

P1038203

SPRING

- barrel

1шт.

12

P1846369

WASHER

RETAINER - spring

2шт.

13

NSS

NOT SOLD SEPARAT

SHAFT - drive, piston pump, Serial Range: -852.7.10.9999

1шт.

When ordering shaft, plate assembly or barrel, also order 1 shaft P1928023, 1 plate assembly P150277, 1 barrel P150278

1шт.

13

P1928023

SHAFT

- drive, piston pump, Start Serial: 852.7.11.0001

1шт.

14

P2230479

O-RING

- cover

1шт.

15

P2230486

O-RING

- retainer

1шт.

16

P2527215

NEEDLE

- shaft to plate assembly

3шт.

17

P1929038

BUSHING

- bearing

1шт.

18

P2728944

BUSHING

RETAINER - seal

1шт.

19

P3037417

PLUG

- plate

2шт.

20

P3037418

PLUG

- plate

1шт.

21

P3333020

SCREW

BOLT - special, use loctite 245

2шт.

22

P6027862

PISTON

- barrel, outer, large

11шт.

23

P6027802

PISTON

- barrel, inner, small

9шт.

24

P944399

CYLINDER END CAP

PLATE - swash

1шт.

25

P7646241

PLATE, THRUST

PLATE - swash variable

1шт.

26

P7646242

PLATE, THRUST

YOKE - swing

1шт.

27

P3343646

GLASS,CAB

PLATE - wafer

1шт.

28

P8046067

GASKET

SEAL - shaft, front cover

1шт.

29

P8230170

KNIFE WEAR PLATE

PLATE - piston pump shoe

1шт.

30

NSS

NOT SOLD SEPARAT

PLATE ASSEMBLY - piston pump shoe, Serial Range: -852.7.10.9999

1шт.

When ordering shaft, plate assembly or barrel, also order 1 shaft P1928023, 1 plate assembly P150277, 1 barrel P150278

1шт.

30

P150277

KNIFE WEAR PLATE

PLATE ASSEMBLY - piston pump shoe, Start Serial: 852.7.11.0001

1шт.

31

NSS

NOT SOLD SEPARAT

BARREL - cylinder, Serial Range: -852.7.10.9999

1шт.

When ordering shaft, plate assembly or barrel, also order 1 shaft P1928023, 1 plate assembly P150277, 1 barrel P150278

1шт.

31

P150278

LOCK, CYLINDER

BARREL - cylinder, Start Serial: 852.7.11.0001

1шт.

32

P150213

CYLINDER END CAP

COVER - pump assembly

1шт.

33

NSS

NOT SOLD SEPARAT

HOUSING - pump assembly

1шт.

Выбрано товаров: 40