Запчасти Case 688 (8-044) - HIGH PRESSURE HYDRAULIC PUMP (08) - HYDRAULICS

Схема запчастей Case 688 - (8-044) - HIGH PRESSURE HYDRAULIC PUMP (08) - HYDRAULICS
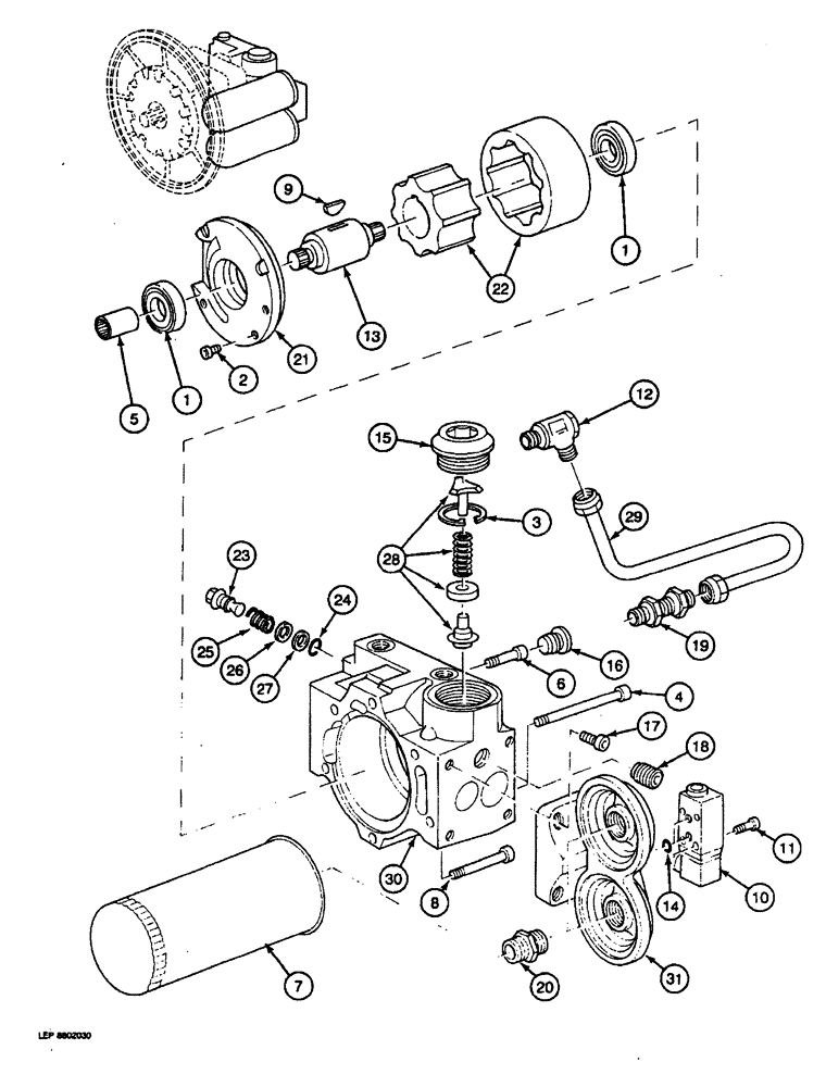
1
26
21
2
23
13
12
14
4
10
20
22
18
11
29
31
6
1
28
3
30
17
19
15
5
25
7
30
24
16
27
9
FIT
1:1
100%

Артикул

Название

Примечание

Количество

P2843544

PUMP

HYDRAULIC PUMP ASSEMBLY - high pressure, contined from previous Figure, Includes: Ref. 1 - 31

1шт.

1

P139605

BEARING

BALL BEARING - housing

2шт.

2

P432905

SCREW

BOLT - hex socket head, 5 mm x 15 mm

5шт.

3

P536217

RING, SNAP

SNAP RING - valve

2шт.

4

P632927

SCREW

BOLT - hex socket head, 10 mm x 120 mm, grade 10.9

2шт.

5

P729781

TRANSMISSION SLEEVE

MANCHON

1шт.

6

P832916

SCREW

BOLT - hex socket head, 10 mm x 40 mm, grade 10.9

3шт.

7

P850589

FILTER CARTRIDGE

FILTER - hydraulic pump, high pressure

2шт.

8

P1232979

SCREW

BOLT - hex socket head, 10 mm x 80 mm, grade 10.9

1шт.

9

P1236124

BUCKET TOOTH KEY

KEY -, Serial Range: shaft-gear

1шт.

10

P1941803

ELECTRO/HYD CONTACT

SENDER - filter restriction indicator

1шт.

11

P1532919

SCREW

BOLT - hex socket head, 14 mm x 30 mm, grade 10.9

4шт.

12

P1737041

FITTING

ADAPTER - elbow, 90 degree

1шт.

13

P1928002

SHAFT

- gear

1шт.

14

P2230481

O-RING

- sender

2шт.

15

P3037421

PLUG

- valve body

2шт.

16

P3037422

PLUG

- body

3шт.

17

P3333021

SCREW

BOLT - hex socket head, 10 mm x 30 mm, grade 10.9

4шт.

18

P3743328

VALVE POPPET

VALVE - feed valve

1шт.

19

P4043346

VALVE POPPET

VALVE - no return valve, Serial Range: -852.7.12.0001

1шт.

19

P4043308

BLOCK ASSY.

VALVE - no return valve, Start Serial: 852.7.12.0001

1шт.

20

P4037523

FITTING

ADAPTER - straight, Serial Range: filter-body

2шт.

21

P7646248

FLANGE

BODY - gear assembly

1шт.

22

P7646249

BODY

GEAR ASSY. pump, forced feed, 44.45 mm, 1-3/4 in. wide

1шт.

P1744303

BODY

GEAR ASSY. pump, forced feed, 57.15 mm, 2-1/4 in. wide

1шт.

23

P7646250

VALVE

- low pressure, Includes: Ref. 24 - 27

1шт.

24

P2230480

O-RING

- low pressure valve

1шт.

25

P1038239

SPRING

- low pressure valve

1шт.

26

P3145323

WASHER

SHIM - low pressure valve, 0.1 mm

1шт.

27

P3145324

WASHER

SHIM - low pressure valve, 0.5 mm

1шт.

28

P7646251

VALVE

- forced feed control valve

1шт.

29

P3750185

PIPE

TUBE - to body, Serial Range: -852.7.05.0179

1шт.

30

P5140324

HOUSING

BODY - pump assembly

1шт.

Gasket between #30 and #31 should be P9346058

1шт.

31

P7946287

SUPPORT

FILTER BODY - pump assembly

1шт.

Gasket between #30 and #31 should be P9346058

1шт.

Выбрано товаров: 36