Запчасти Case 688 (8-060) - TIME-RELAY SELECTOR VALVE (08) - HYDRAULICS

Схема запчастей Case 688 - (8-060) - TIME-RELAY SELECTOR VALVE (08) - HYDRAULICS
3
5
9
6
1
10
2
7
4
8
FIT
1:1
100%

Артикул

Название

Примечание

Количество

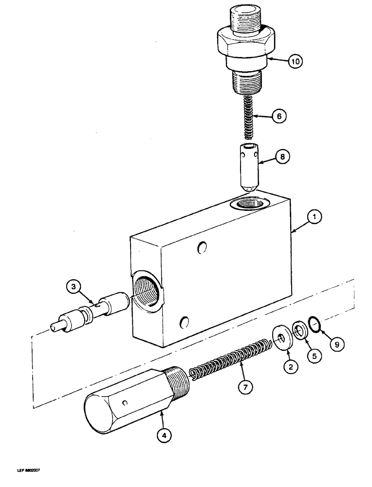
P4043323

BLOCK ASSY.

TIME-RELAY SELECTOR VALVE ASSEMBLY - control (order P4743309) (see T.I.N. n deg. 3084), Includes: Ref. 1 - 11

1шт.

P4043323 replaced by P4043379 on Models 61 CK & 81 CK.

1шт.

11

P7046042

SEAL

- adapter, not shown

1шт.

1

NSS

NOT SOLD SEPARAT

BODY - valve

1шт.

2

P3145321

WASHER

RETAINER - spring

1шт.

3

NSS

NOT SOLD SEPARAT

SPOOL - valve

1шт.

4

P1030020

CAP

COVER - selector spring

1шт.

5

P1145230

BACK-UP RING

BACKUP RING - spool O-ring

1шт.

6

P1538165

SPRING

- poppet

1шт.

7

P1538166

SPRING

- spool

1шт.

7

P1729838

VALVE POPPET

POPPET - valve

1шт.

9

P1730422

O-RING,0.07" Thk x 0.18" ID, -8, Cl 5, 75 Duro

- spool

1шт.

10

P4237508

UNION

ADAPTER - block

1шт.

Выбрано товаров: 13