Запчасти Case 688 (8-068) - SWIVEL HYDRAULIC CIRCUIT, P.I.N. FROM 74123 TO 74284 (08) - HYDRAULICS

Схема запчастей Case 688 - (8-068) - SWIVEL HYDRAULIC CIRCUIT, P.I.N. FROM 74123 TO 74284 (08) - HYDRAULICS
17
10
11
7
8
23
1
18
8
4
11
22
19
9
14
8
11
9
20
6
5
11
9
10
15
10
14
21
10
3
9
12
2
13
16
FIT
1:1
100%

Артикул

Название

Примечание

Количество

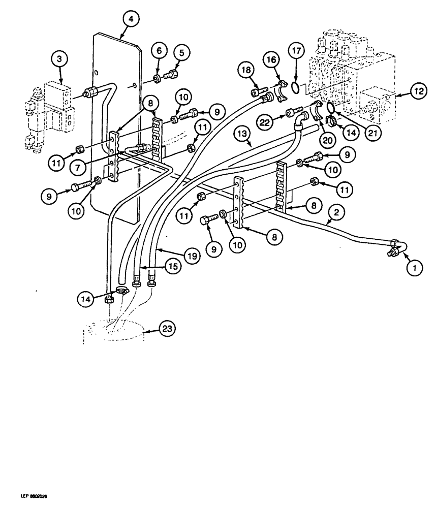
1

P1737010

ANGLE

ELBOW - 90 degree

1шт.

2

P6249106

PIPE

TUBE - control circuit, solenoid valve to manifold block, see Figure 8-202 for continuation of circuit

1шт.

3

REF

INSTRUCTION

VALVE ASSEMBLY - solenoid control, see Figure 8-90 for, Serial Range: adapter-tube

1шт.

4

P4623479

HOOD

PLATE - cover

1шт.

5

120104

BOLT,Hex, M8 x 1.25 x 20mm, Cl 8.8

BOLT, Hex, M8 x 20, 8.8

4шт.

6

P3528794

WASHER

SPACER - bolt, 6 mm thick

4шт.

7

P6149074

PIPE

TUBE - leak return, from swivel

1шт.

8

P4620329

SHIN

CLAMP - tube

4шт.

9

P33822

SCREW

BOLT - hex head, 8 mm x 50 mm

6шт.

10

P3528794

WASHER

SPACER - bolt, 6 mm thick

6шт.

11

P134596

SAFETY NUT

NUT - hex, self-locking, 8 mm

6шт.

12

REF

INSTRUCTION

BLOCK - attachment control valve, see Figure 8-80 for, Serial Range: adapter-hose

1шт.

13

REF

INSTRUCTION

HOSE - return, swivel to block, 31-1/2" long, cut from P1103635

1шт.

14

P36998

COLLAR CLAMP

CLAMP - hose

2шт.

15

P5431973

HOSE

- 39-3/8" long, pressure, parralel valve, Serial Range: section-swivel

1шт.

16

P4024267

SHIN

SPLIT FLANGE - hose

4шт.

17

P330421

O-RING,0.139" Thk x 1.296" ID, -219, Cl 6, 90 Duro

- hose flange

2шт.

18

J532918

SCREW,Hex Skt, M12 x 40mm, Cl 10.9

8шт.

19

P5431975

HOSE

- 24-13/16" long, return, swivel to parallet valve block

1шт.

20

P4024272

BRACKET

SPLIT FLANGE - hose

4шт.

21

P330421

O-RING,0.139" Thk x 1.296" ID, -219, Cl 6, 90 Duro

- hose flange

2шт.

22

P732911

SCREW

BOLT - hex socket head, 10 mm x 30 mm, grade 10.9

8шт.

23

REF

INSTRUCTION

SWIVEL ASSEMBLY - hydraulic, see Figure 8-78 for adapters to hose and tube

1шт.

Выбрано товаров: 23