Запчасти Case 688 (8-070) - SWIVEL HYDRAULIC CIRCUIT, P.I.N. FROM 74285 TO 74485, 11501 AND AFTER (08) - HYDRAULICS

Схема запчастей Case 688 - (8-070) - SWIVEL HYDRAULIC CIRCUIT, P.I.N. FROM 74285 TO 74485, 11501 AND AFTER (08) - HYDRAULICS
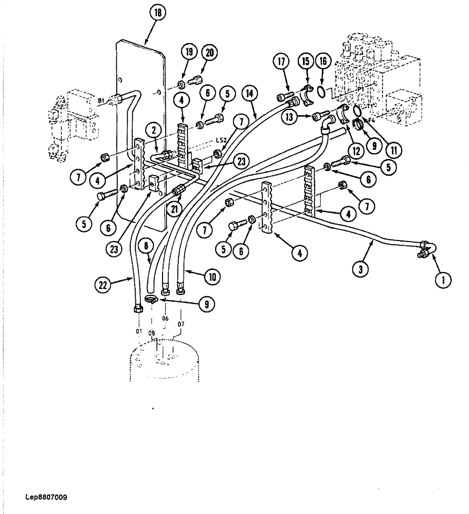
18
7
14
4
13
1
5
21
12
5
11
3
5
6
23
7
16
7
6
8
17
15
19
6
22
6
20
5
23
10
9
4
2
4
9
4
7
FIT
1:1
100%

Артикул

Название

Примечание

Количество

1

P1737010

ANGLE

ELBOW - 90 degree

1шт.

2

P8647605

PIPE

TUBE - leak return, from swivel

1шт.

3

P6249106

PIPE

TUBE - control circuit, solenoid valve to manifold block

1шт.

4

P4620329

SHIN

CLAMP - tube

4шт.

5

P33822

SCREW

BOLT - hex head, 8 mm x 50 mm

7шт.

6

P3528794

WASHER

SPACER - bolt, 6 mm thick

9шт.

7

P134596

SAFETY NUT

NUT - hex, self-locking, 8 mm

7шт.

8

REF

INSTRUCTION

HOSE - return, swivel to block, 31-1/2" long, cut from P1103635

1шт.

9

P36998

COLLAR CLAMP

CLAMP - hose

2шт.

10

P5431975

HOSE

- 24-13/16" long, return, swivel to parallel valve blcok

1шт.

11

P220421

O-RING - hose flange

2шт.

12

P4024272

BRACKET

SPLIT FLANGE - hose

4шт.

13

P732911

SCREW

BOLT - hex socket head, 10 mm x 30 mm, grade 10.9

8шт.

14

P5431979

HOSE,6.20 mm ID x 900.00 mm

- pressure, parrel valve section to swivel 6.20 mm ID x 900.00 mm

1шт.

15

P4024267

SHIN

SPLIT FLANGE - hose

4шт.

16

P330421

O-RING,0.139" Thk x 1.296" ID, -219, Cl 6, 90 Duro

- hose flange

2шт.

17

J532918

SCREW,Hex Skt, M12 x 40mm, Cl 10.9

8шт.

18

P4623479

HOOD

PLATE - cover

1шт.

19

P3528794

WASHER

SPACER - bolt, 6 mm thick

4шт.

20

120104

BOLT,Hex, M8 x 1.25 x 20mm, Cl 8.8

BOLT, Hex, M8 x 20, 8.8

4шт.

21

P3237534

UNION

ADAPTER - straight

1шт.

22

P6531934

HOSE

- 31-1/2" long, leak return, from swivel

1шт.

23

P4820343

SHIN

CLAMP - tube

2шт.

Выбрано товаров: 23