Запчасти Case 688 (8-072) - HYDRAULIC CONTROL CIRCUIT, TO SOLENOID AND ATTACHMENT CONTROL VALVES (08) - HYDRAULICS

Схема запчастей Case 688 - (8-072) - HYDRAULIC CONTROL CIRCUIT, TO SOLENOID AND ATTACHMENT CONTROL VALVES (08) - HYDRAULICS
9
26
27
28
18
25
11
18
21
4
10
27
14
25
1
5
17
20
7
1
16
21
13
12
6
2
8
15
3
23
21
19
15
18
20
20
24
FIT
1:1
100%

Артикул

Название

Примечание

Количество

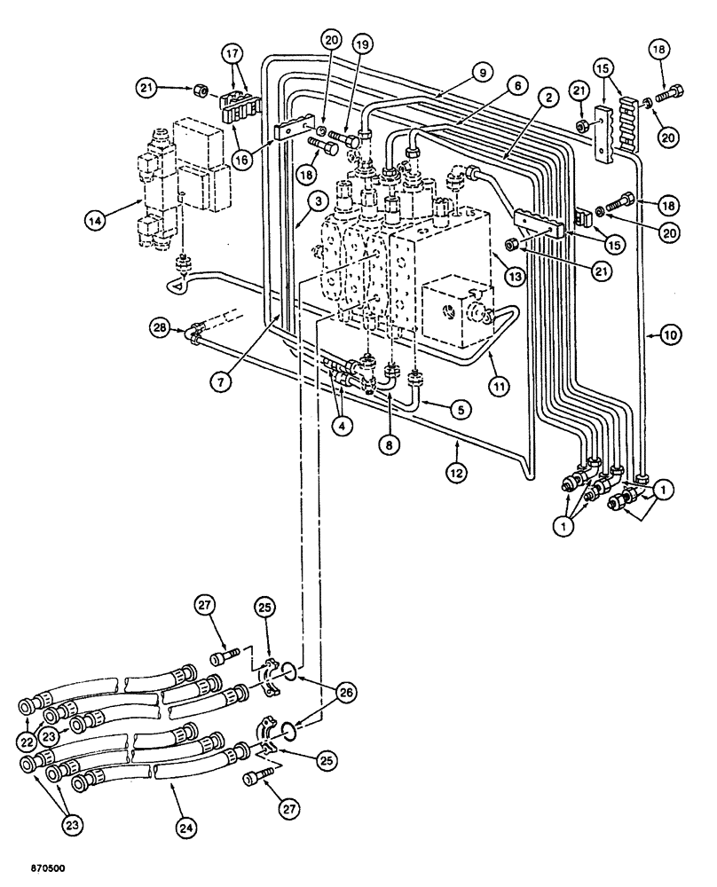
1

P1737008

ANGLE

ELBOW - 90 degree

6шт.

2

P6249126

PIPE

TUBE - control, upper port of boom control section

1шт.

3

P6249129

PIPE

TUBE - control, lower port of boom control section, upper portion

1шт.

4

P3237534

UNION

ADAPTER - straight

2шт.

5

P6947146

PIPE

TUBE - control, lower port of boom control section, lower portion

1шт.

6

P6249127

PIPE

TUBE - control, upper port of bucket control section

1шт.

7

P6249130

PIPE

TUBE - control, lower port of bucket control section, upper section

1шт.

8

P6947147

PIPE

TUBE - control, lower port of bucket control section, lower portion

1шт.

9

P6249125

PIPE

TUBE - control, upper port of arm control section

1шт.

10

P6249124

PIPE

TUBE - control, lower port of arm control section

1шт.

11

P6249128

PIPE

TUBE - control, to solenoid control valve

1шт.

12

P6149188

PIPE

TUBE - leak return, at parallel section

1шт.

13

REF

INSTRUCTION

VALVE ASSEMBLY - attachment control, see Figure 8-80 for, Serial Range: adapter-tube

1шт.

14

REF

INSTRUCTION

VALVE ASSEMBLY - solenoid control, see Figure 8-90 for, Serial Range: adapter-tube

1шт.

15

P4620327

SHIN

CLAMP - tube, for five tubes

4шт.

16

P4420368

SHIN

CLAMP - tube, for four tubes

2шт.

17

P4420368

SHIN

CLAMP - tube, for two tubes

2шт.

18

P33822

SCREW

BOLT - hex head, 8 mm x 50 mm

5шт.

19

P133849

SCREW

BOLT - hes head, 8 mm x 80 mm

1шт.

20

P3528794

WASHER

SPACER - bolt, 6 mm thick

6шт.

21

P134596

SAFETY NUT

NUT - hex, self-locking, 8 mm

6шт.

22

P5431924

HOSE

- 39-3/8", Serial Range: long,-cylinders

2шт.

23

P5431925

HOSE

- 49-1/4", Serial Range: long,-cylinders

3шт.

24

5931931

HOSE - 55-1/8", Serial Range: long,-cylinders

1шт.

25

P4024266

CLAMP

SPLIT FLANGE - hose flange

12шт.

26

P1130483

O-RING

- hose flange

6шт.

27

14420331

HEX SOC SCREW,M10 x 1.5 x 35mm, Cl 10.9, Full Thd

24шт.

28

P1737055

ANGLE

ELBOW - 90 degree

1шт.

Выбрано товаров: 28