Запчасти Case 688 (8-090) - SOLENOID VALVE AND SWING BRAKE RELEASE (08) - HYDRAULICS

Схема запчастей Case 688 - (8-090) - SOLENOID VALVE AND SWING BRAKE RELEASE (08) - HYDRAULICS
10
2
13
22
1
9
25
19
14
17
15
20
3
27
12
18
26
7
21
5
23
24
4
16
11
6
8
FIT
1:1
100%

Артикул

Название

Примечание

Количество

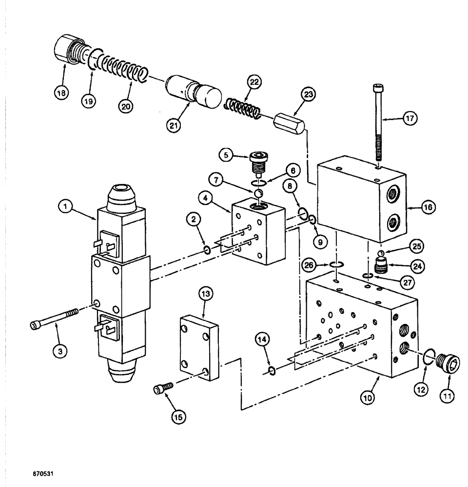
P3743364

DISTRIBUTOR

SOLENOID VALVE ASSEMBLY - pilot circuit control (SIGMA-VICKERS supplier), Includes: Ref. 1 and 2

1шт.

P3743364

DISTRIBUTOR

SOLENOID VALVE ASSEMBLY - pilot circuit control (BOSCH supplier), Includes: Ref. 1 and 2

1шт.

1

NSS

NOT SOLD SEPARAT

SOLENOID VALVE - pilot circuit control

1шт.

2

P1230430

O-RING,0.07" Thk x 0.364" ID, -12, Cl 5, 75 Duro

- solenoid, Serial Range: valve-block

4шт.

3

P732995

SCREW

BOLT - hex socket, 5 mm x 55 mm, grade 10.9

4шт.

3

P832941

SCREW

BOLT - hex socket, 5 mm x 75 mm, grade 10.9

4шт.

P2643379

BLOCK

ASSEMBLY - check valve, Includes: Ref. 4 - 9

1шт.

4

NSS

NOT SOLD SEPARAT

BLOCK - check valve

1шт.

5

P2537471

PLUG

- check valve

1шт.

6

P7046042

SEAL

- plug

1шт.

7

P31004

BALL

- check valve

1шт.

8

P1130463

O-RING

- block, large

1шт.

9

P1230430

O-RING,0.07" Thk x 0.364" ID, -12, Cl 5, 75 Duro

- block, small

3шт.

10

P3923371

BODY

BLOCK - manifold

1шт.

11

P2537447

PLUG

- manifold block, Includes: Ref. 12

2шт.

12

P7046042

SEAL

- plug

1шт.

13

P1343328

LARGE PLATE

PLATE ASSEMBLY - cover, manifold block

1шт.

14

P1230430

O-RING,0.07" Thk x 0.364" ID, -12, Cl 5, 75 Duro

-, Serial Range: cover-block

4шт.

15

P432905

SCREW

BOLT - hex socket head, 5 mm x 15 mm

4шт.

P3143393

BLOCK ASSY.

BLOCK ASSEMBLY - swing brake release, Includes: Ref. 16 - 27

1шт.

16

NSS

NOT SOLD SEPARAT

BLOCK - swing brake release

1шт.

17

P632913

SCREW

BOLT - hex socket head, 5 mm x 80 mm, grade 10.9

3шт.

18

P3743357

CAP

PLUG - brake release

1шт.

19

P1145268

SEAL

- plug

1шт.

20

P1038211

SPRING

- spool, large

1шт.

21

NSS

NOT SOLD SEPARAT

SPOOL - brake release block

1шт.

22

P1038212

SPRING

- poppet, small

1шт.

23

NSS

NOT SOLD SEPARAT

POPPET - brake release

1шт.

24

P3743356

SEAT

PLUG - check valve

1шт.

25

P31002

BALL

- check valve

1шт.

26

P1130463

O-RING

- brake release block, large

2шт.

27

P1230430

O-RING,0.07" Thk x 0.364" ID, -12, Cl 5, 75 Duro

- brake release block, small

1шт.

Выбрано товаров: 32