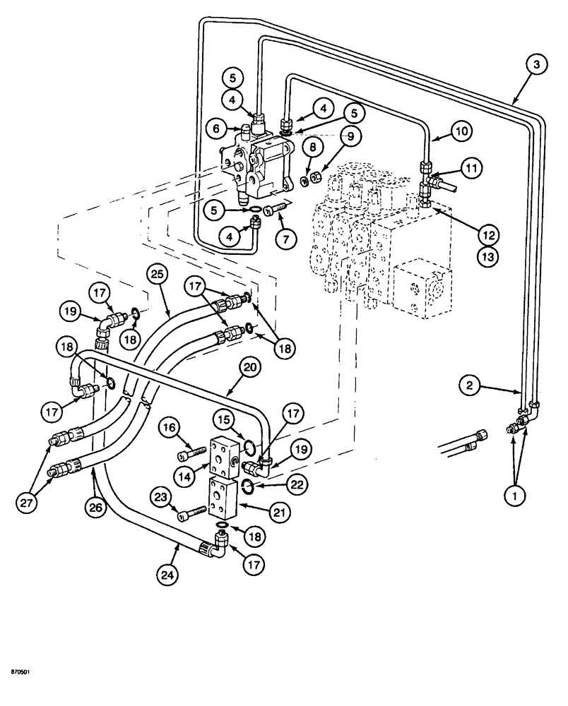
Запчасти Case 688 (8-138) - HYDRAULIC CONTROL CIRCUIT, TO OPTION CONTROL VALVE (08) - HYDRAULICS

Схема запчастей Case 688 - (8-138) - HYDRAULIC CONTROL CIRCUIT, TO OPTION CONTROL VALVE (08) - HYDRAULICS
11
1
23
4
18
4
25
27
17
12
17
6
9
5
17
3
18
19
5
22
10
16
17
26
5
20
19
21
17
14
18
2
13
24
8
18
4
7
15
FIT
1:1
100%

Артикул

Название

Примечание

Количество

1

P1737008

ANGLE

ELBOW - 90 degree

2шт.

2

P6049062

PIPE

TUBE - control circuit, upper port of control valve

1шт.

3

P6249131

PIPE

TUBE - control circuit, lower port of control valve

1шт.

4

P3237530

UNION

ADAPTER - straight, Includes: Ref. 5

3шт.

5

P7046042

SEAL

- adapter

1шт.

6

REF

INSTRUCTION

VALVE ASSEMBLY - option control, see Figures 8-144 & 8-146

1шт.

7

P832916

SCREW

BOLT - hex socket head, 10 mm x 40 mm

4шт.

8

P3528795

WASHER

SPACER - bolt, 7 mm thick

4шт.

9

P34598

SAFETY NUT

NUT - hex, self-locking, 10 mm

4шт.

10

P8047680

PIPE

TUBE - leak return to parallel valve section

1шт.

11

P2643351

BLOCK ASSY.

TEE - leak return tube

1шт.

12

P3237554

FITTING

ADAPTER - tube long, Includes: Ref. 13

1шт.

13

P7046042

SEAL

- adapter, not shown

1шт.

14

P937298

SHIN

BLOCK - adapter, pressure hose

1шт.

15

P30405

O-RING

- adapter block

1шт.

16

P1232983

SCREW

BOLT - hex socket head, 12 mm x 75 mm, grade 10.9

4шт.

17

P3237533

UNION

ADAPTER - straight, Includes: Ref. 18

6шт.

18

P1145268

SEAL

- adapter

1шт.

19

P1737021

ANGLE

ELBOW - 90 degree

2шт.

20

P5431967

HOSE

- 24-13/16" long, to control valve

1шт.

21

P937299

SHIN

BLOCK - adapter, return hose

1шт.

22

P30405

O-RING

- adapter block

1шт.

23

P933895

SCREW

BOLT - hex socket head, 10 mm x 60 mm, grade 10.9

4шт.

24

P5431963

HOSE

- 24-13/16" long, return tio block

1шт.

25

P5431931

HOSE

- 39-3/8" long, Serial Range: valve-attachment

1шт.

Ref #25 - (Is 1000 mm long) Replace with P5431932 Hose (1250 mm Long)

1шт.

26

P5431932

HOSE

- 49-1/4" long, Serial Range: valve-attachment

1шт.

27

P3237537

UNION

ADAPTER - straight

2шт.

Выбрано товаров: 28